EasyManua.ls Logo

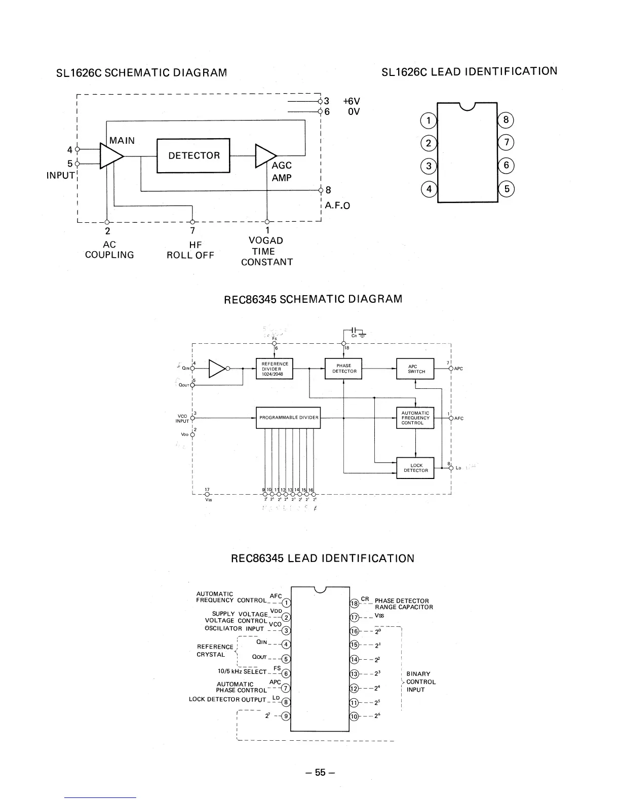
Realistic trc-448 - SL1626 C Schematic Diagram; SL1626 C Lead Identification; REC86345 Schematic Diagram; REC86345 Lead Identification

Realistic trc-448
36 pages
Print Icon
To Next Page IconTo Next Page
To Next Page IconTo Next Page
To Previous Page IconTo Previous Page
To Previous Page IconTo Previous Page
Loading...
SL1626C SCHEMATIC DIAGRAM
SL1626C LEAD IDENTIFICATION
- 55 -

Related product manuals