EasyManua.ls Logo

RefPlus Opti-Mist Plus - 208 V;3 PH;60 Hz Wiring

RefPlus Opti-Mist Plus
20 pages
Print Icon
To Next Page IconTo Next Page
To Next Page IconTo Next Page
To Previous Page IconTo Previous Page
To Previous Page IconTo Previous Page
Loading...
17
R
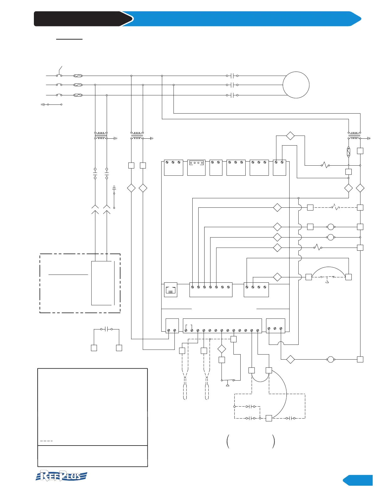
Wiring diAgrAmS
TYPICAL WIRING DIAGRAM FOR 208V/3PH/60Hz
*
**
***
GO
J1
G
SYNC
B1
B2
B3
B4
B5
B6
GND
5Vref
+VDC
ID1
GND
NO1
J3
C1
J2
NC1
+
J5
-
GNX
J8
GND
Tx/Rx
J6 J7
GND
TLAN
+
-
Tx/Rx
GND
J9
Y2
Y1
PWM 0/10V
J10
C2
NO2
J11
NO3
C3
B8
J12
B7
GND
J4
NO4
NO5
NO6
NO7
C3
ID2
I1
PV
UV
AVV
DPS
GA
WP
I3
A1
A2
B1
G
01 02
03 04
06
07
08
09
10
12
11
H3
P1 H1
H2
H4
H5
P3
H6
07
06
10
12
GFCI
B2
DR
05
L1
L2
I2
P2
24
CT1
50 VA
208
120
CT1
100 VA
208
24
CT2
150 VA
208
WP1
WP2
L3
WP3
UV1
UV2
F 15A
MDA
F 10A
REMOVE JUMPER WITH UNIT INTERLOCK
REMOVE JUMPER WITH CUSTOMER CONTROLLER
REMOVE JUMPER WITH LPS OR LLS
ATS AIR TEMPERATURE SENSOR
AVV AIR VENT VALVE SOLENOID
CT CONTROL TRANSFORMER
DPS DIFFERENTIAL PRESSURE SWITCH
DR DRAIN VALVE SOLENOID
F FUSE
GA GENERAL ALARM
P PUMP
PV PULSING VALVE
LLS LIQUID LEVEL SWITCH
LPS LOW WATER PRESSURE SWITCH
LTS LIQUID TEMPERATURE SENSOR
UVL UV LIGHT
WP WATER PUMP
WIRE BY OTHERS
LPS OR LLS
BY OTHER
DO NOT USE
RECEPTACLE FOR
ANY POWER SUPPLY
WARNING
FROM LIQUID COOLER
OR GAS COOLER
FROM LIQUID COOLER
OR GAS COOLER
BY OTHER
FROM CUSTOMER
CONTROLLER
FROM LIQUID COOLER
OR GAS COOLER
PARALLEL SETUP FOR
SPLIT ELECTRICAL
APPLICATION ONLY
DISCONNECT SWITCH
208/3/60
WP
CAREL - PCO5 - COMPACT
GA1
REMOTE ALARM
UV BALLAST
ATS
IMPORTANT: THIS PUMP SYSTEM IS USED ON OPEN SPRAY APPLICATION AND MUST BE PLUGGED INTO ELECTRICAL SERVICE
WHICH IS PROTECTED BY A GROUND FAULT CIRCUIT INTERRUPTER.
LTS
INTERLOCKS
* **
*
* *