EasyManua.ls Logo

Regency C34 Classic - Page 33

Regency C34 Classic
44 pages
Print Icon
To Next Page IconTo Next Page
To Next Page IconTo Next Page
To Previous Page IconTo Previous Page
To Previous Page IconTo Previous Page
Loading...
Regency
®
CLASSIC C34-3 Direct Vent Freestanding Gas Stove
33
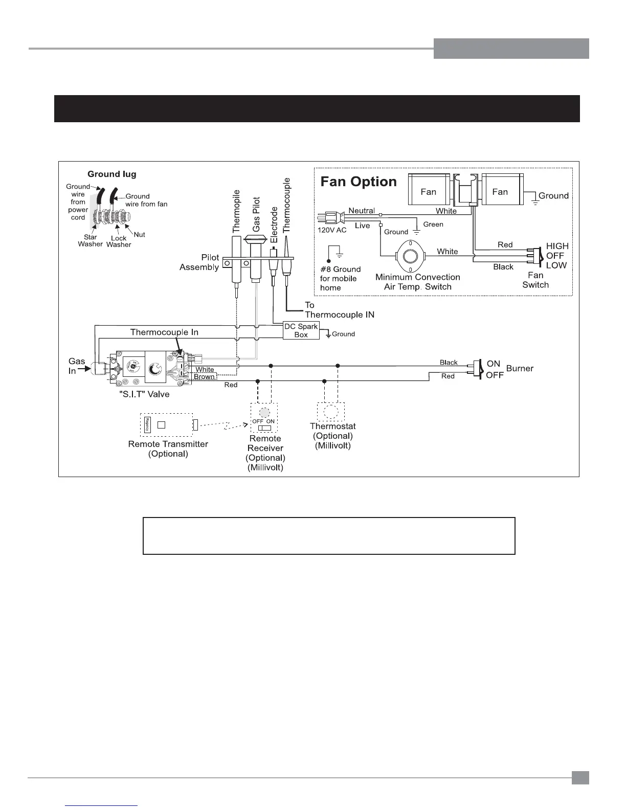
INSTALLATION
CAUTION: Label all wires prior to disconnection when servicing controls.
Wiring errors can cause improper and dangerous operation.
For PROPANE Units and Units Equipped with DC Spark Boxes*
*For installation of the DC Spark Box refer to instructions in this manual.

Table of Contents

Related product manuals