EasyManua.ls Logo

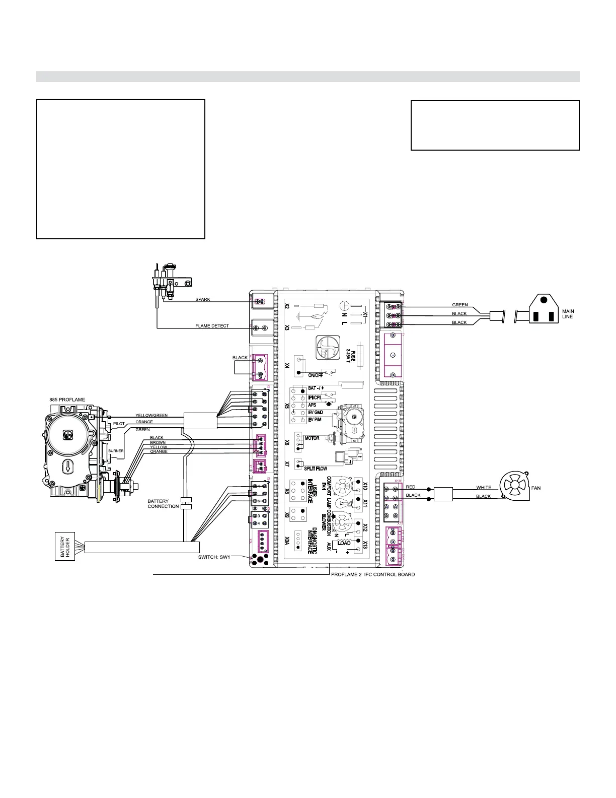
Regency Ultimate U39E Series - Wiring Diagram Without Thermostat

Regency Ultimate U39E Series
60 pages
Print Icon
To Next Page IconTo Next Page
To Next Page IconTo Next Page
To Previous Page IconTo Previous Page
To Previous Page IconTo Previous Page
Loading...
40 | Regency
®
U39E-11 ULTIMATE™ Freestanding Gas Stove
installation
This heater does not require a 120V A.C. supply for
operation. In case of a power failure, the remote
control/thermostat will continue to operate.
CAUTION: Ensure that the wires
do not touch a hot surface and are
away from sharp edges.
WARNING:
Electrical Grounding
Instructions
This appliance is equipped with
a three pronged (grounding)
plug for your protection against
shock hazard and should be
plugged directly into a properly
grounded three-prong recep-
tacle. Do not cut or remove the
grounding prong from this plug.
Note:
4 AA Batteries must be installed into the back
up battery compartment however for this unit to
operate when power is lost. See battery back
up instructions in this manual The fan will not
operate during a power outage.
Wiring Diagram without Thermostat
EXTERNAL ANTENNA

Table of Contents

Related product manuals