EasyManua.ls Logo

Reliant ROBIN 850 - Page 194

Reliant ROBIN 850
206 pages
Print Icon
To Next Page IconTo Next Page
To Next Page IconTo Next Page
To Previous Page IconTo Previous Page
To Previous Page IconTo Previous Page
Loading...
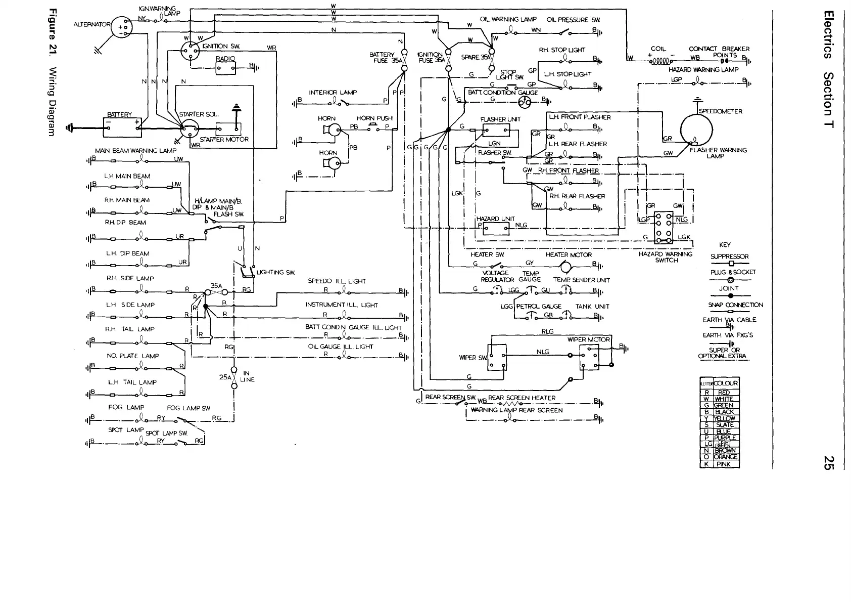
"'T1
ce·
c
.,
CD
N
....
~
......
::::l
c.c
0
Qj'
c.c
ill
3
RADIO
·-·-D-·~1·
NINI
Nl
~N~----------~
MAIN
BEAM
WARNING
LAMP
&
-
Ul
IN
WR
w
w
N
p
N
p
iG
I
!
!
I
I
RH
SIDE
LAMP I T
SPEEDO
ILL
LIGHT
R
INSTRUMENT
ILL
UGHT
R
_Q
_ B,
1
,
ill-·l·-·-·-·-~-JT-~GE-1~-U-GH·~I•
.,
OIL
Wo'.RNING
U>MP
CONT.ICT
BREAKER
IW
~MOM:-
WB
PO.!_NTS
B
~~I·
HAZARD
Wo'.RI\ING
LAMP
r·--·--·§!:'·_,Q_·-·-·~1·
i
-=-
-~·]
I
·~---·~
i I ·-fJ·-·-·J .
...,
LGK·
IG
I . i I i
! I w
I•
i !
F.
GWi
I
I
.HAZARD
UNIT
i
!~&Pn!'JI..G
.I
·-+·J£r:--:L.t'!bf:i.
__
.
·--·-·-·-·-
0 0
.
I~
G
.LGt<;
1._:=-~======--=:=:=:=:=---·-·-·-l
HEATER
SW
HEATER
MOTOR
I G
,/~---..fu1
\KJLT..GETEM;--v-----o
REGULAlffi GAUGE
TEMP.
SENDER
UNIT
Gt
;J:T'~I·
LGG
PETRa...
GAUGE
TANK
UNIT
;r-~1·
RLG
HAZARD
WARNING
SWITCH
KEY
SUPPRESSOR
--o--
PWG
&SOCKET
~
JOINT
SNAP
CCN!'ECT\ON
EARTH
~
CABLE
I•
EARTH
VIA
FXG'S
----ll•
I
RGI
Oil
GAUGE
ILL LIGHT
II"
~
"'·
-"'
--,~J%.-·-·-·-·-R-·~·-·-·....6.!1•
u I G I
·liB
c
ov.,
~
1
'~=-=--~G-----~
1
- /
NLG
SUPER
OR
OPTICJ!'.W.
EXTRA
-·--·-·
FOG LAMP
FOG
LAMP
SW
j
G.~.~SW
WLR£AR
SCREEN
HEATER
•l~·-·-o4-8i.......,~.-~£._j
r'MRNING~
~~EE~-·-·!2!I•
SPOT
LAMPSPOr
LAMPSW
'-.
-·~·--·-·-·-·_...§11•
•lf£L-·---oY.-I<Y___.,
't>-~
m
CD
C')
-
:::::!.
C')
en
en
CD
C')
!:!'.
0
::::J
~
N
0'1

Table of Contents

Related product manuals