EasyManua.ls Logo

Remcor TJ45 - Service Information

Remcor TJ45
16 pages
Print Icon
To Next Page IconTo Next Page
To Next Page IconTo Next Page
To Previous Page IconTo Previous Page
To Previous Page IconTo Previous Page
Loading...
906147
DANGER:
ELECTRIC SHOCK HAZARD. DISCONNECT POWER BEFORE SERVICING UNIT.
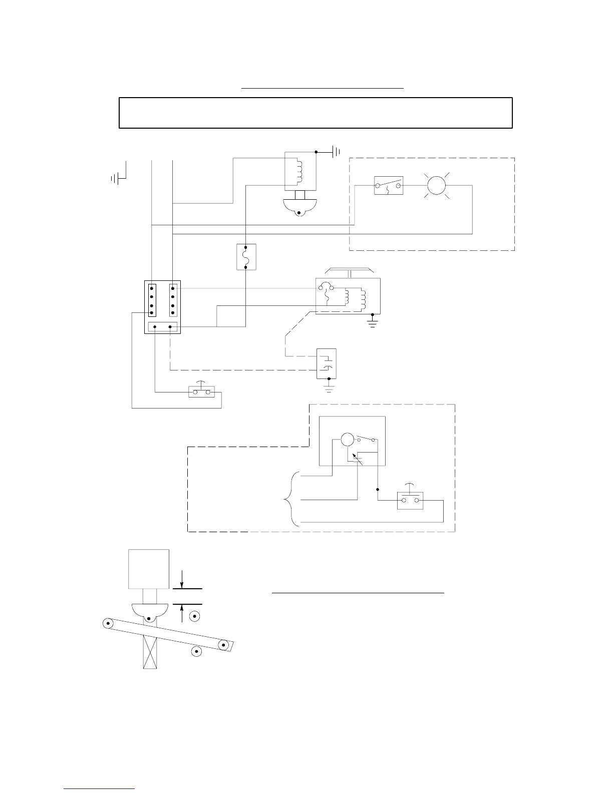
SERVICE INFORMATION
GRD
RED
LN
GATE
SOLENOID
LIGHT
1¼ AMP. TIME
DELAY FUSE
AGITATOR
MOTOR
SOLENOID ADJUSTMENT
GRN
WHT
DISPENSE
SWITCH
SW
TD
PORTION TIMER
DISPENSE SWITCH
(STANDARD)
CAPACITOR
TJ-90 ONLY
PORTION
CONTROL
(OPTIONAL)
TO TERMINAL
BOARD
WHEN REPLACING SOLENOID AD-
JUST TO 7/8” AS SHOWN BEFORE
TIGHTENING MOUNTING SCREWS
BLK
WHT
BLK
BLK
THERMOSTAT
WHT
ICE LEVEL SIGNAL
(OPTIONAL)
WHT
RED
RED
RED
BLK
BLU
WHT
RED
BLK
RED
ORN
7/8-IN
FIGURE 2. WIRING DIAGRAM TJ45, 90 DISPENSER