EasyManua.ls Logo

REMKO KWL 130 - Page 30

REMKO KWL 130
48 pages
Print Icon
To Next Page IconTo Next Page
To Next Page IconTo Next Page
To Previous Page IconTo Previous Page
To Previous Page IconTo Previous Page
Loading...
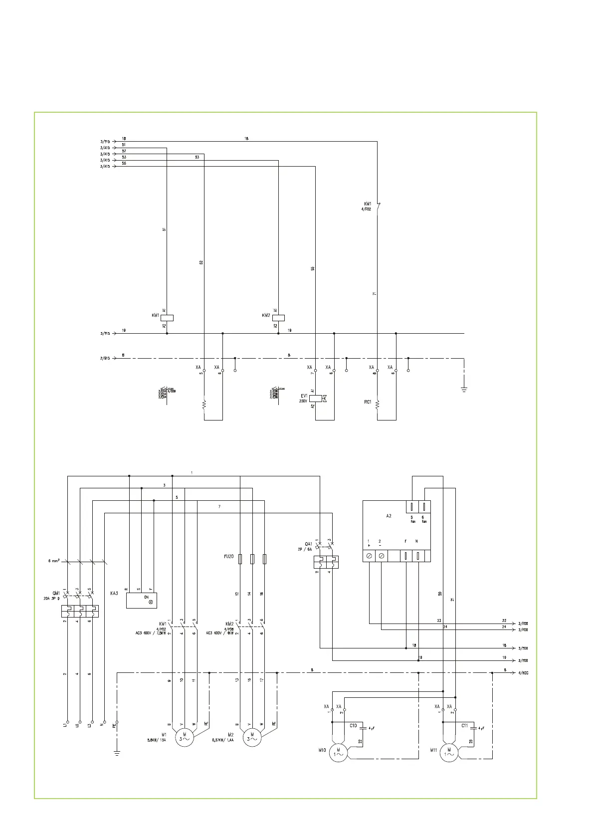
KWL 180(H) - 320(H)
KWL 130(H) - 160(H)
Compressor Circulation pump
Fan controller
Condenser
fan 1
Condenser
fan 2
Anti-freeze heating, cooling medium
(Accessories)
Reversing valve
(only KWL...H)
CW heater
(Accessories)
REMKO KWL (H)
30

Related product manuals