EasyManua.ls Logo

RichAuto A132 - Page 18

Default Icon
55 pages
Print Icon
To Next Page IconTo Next Page
To Next Page IconTo Next Page
To Previous Page IconTo Previous Page
To Previous Page IconTo Previous Page
Loading...
Add: 5F
, No.4 building, No 4. Yard, life Rd, life science park,
Tel010-53275118 Fax
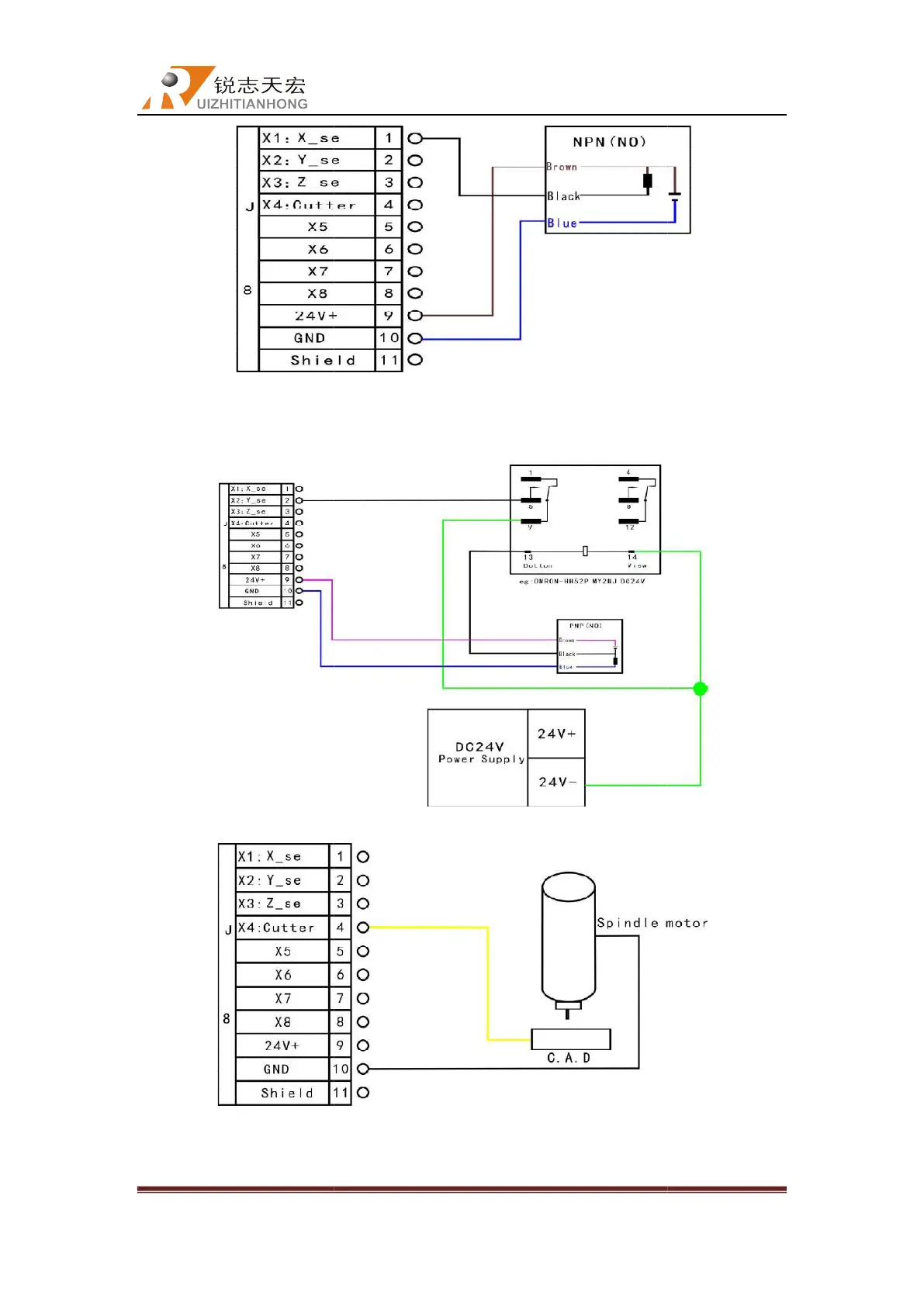
c) PNP
(normally open type) proximity
are the same as Y axis’).
2.Tool setting terminal: s
imple auto
Beijing RichAuto S&T Co., Ltd
, No.4 building, No 4. Yard, life Rd, life science park,
Beiqing St., Changping d
ist.
010-53275110/53275111 Web site
www.richnc.com.cn
(normally open type) proximity
switch wiring example (
wiring methods
imple auto
-tool setting gauge wiring example
Beijing RichAuto S&T Co., Ltd
ist.
Beijing, China
www.richnc.com.cn
14
wiring methods
of X and Z

Related product manuals