EasyManua.ls Logo

Riello 866T80 - Page 45

Riello 866T80
52 pages
Print Icon
To Next Page IconTo Next Page
To Next Page IconTo Next Page
To Previous Page IconTo Previous Page
To Previous Page IconTo Previous Page
Loading...
43
20154244
GB
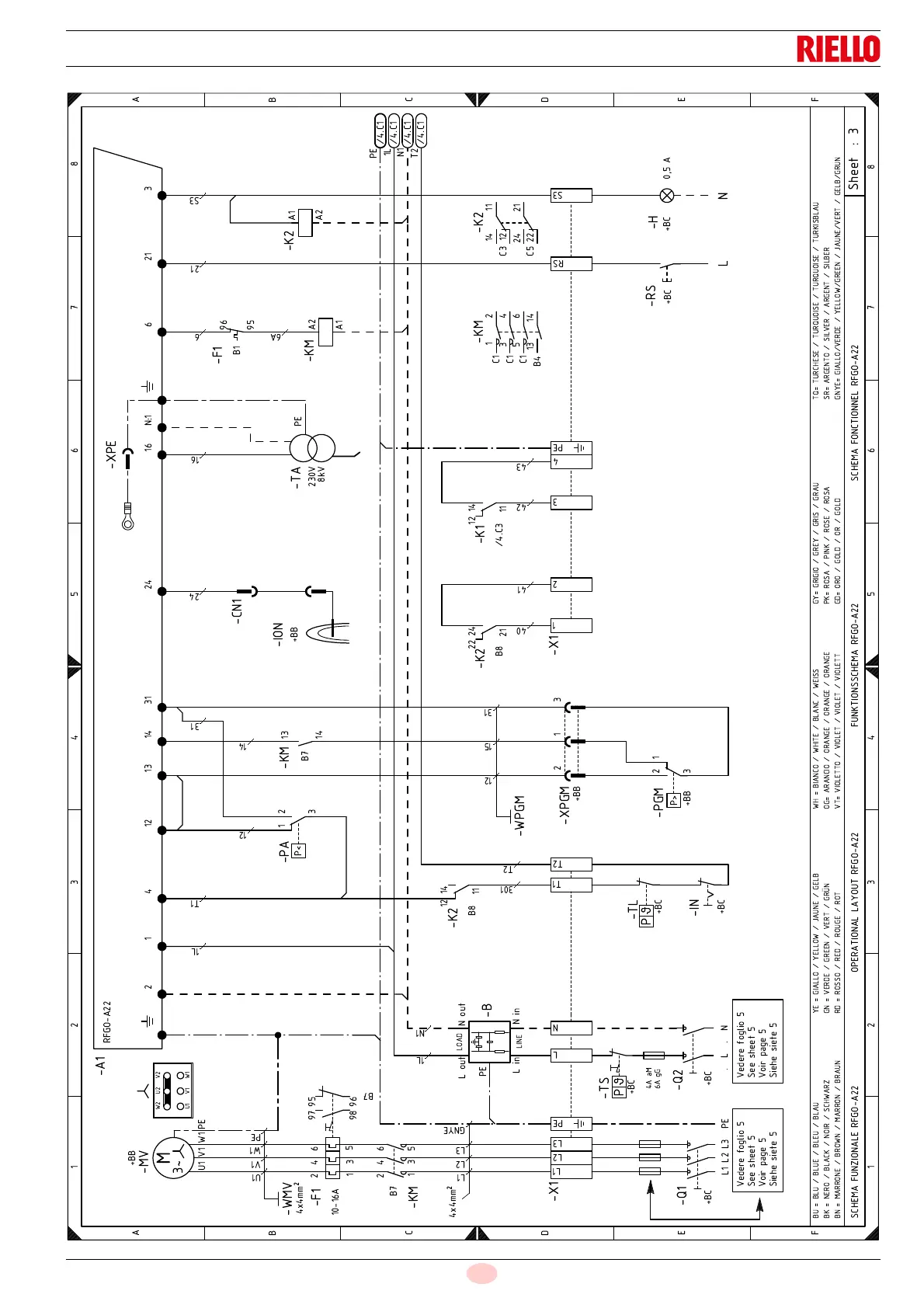
Appendix - Electrical panel layout


































!"#$
!"#$
%
%
&' (& & 
) **+
&
,
&   
"
!
-"
#
.#
.$
.!
."
#
!
 "


   
/0123452!
6!
250783!
565!
,




) **+

(


29 29
5: 5:


,
/0123452!
6!
250783!
565!
,




$


-

,
,





;


,
,
<
 
#

!



$


-
 
,

= >




"
"
-
$?


 "
"

.!
."
"





!

"



,
, -@!





!





= >

= >

= >

= >
&A&=&=&=&
A==='
(A=(=B&=
A%===C
%A=%=&=
A===
A===
A===
(A=(==&
A===
%A=%==%
A&=&&=&&=&&
A===
(A=%=(==B&===&A===&
 & 
&  

%
"3
8

Table of Contents

Related product manuals