EasyManua.ls Logo

Riello Multi Switch - Page 15

Riello Multi Switch
24 pages
Print Icon
To Next Page IconTo Next Page
To Next Page IconTo Next Page
To Previous Page IconTo Previous Page
To Previous Page IconTo Previous Page
Loading...
- ITALIANO -
________________________________________________________________________________________________________
15
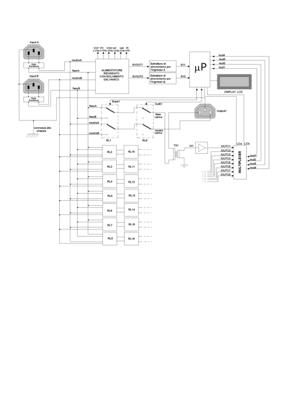
Schema a blocchi del Multi Switch
L’alimentatore è ridondato in modo da funzionare quando è presente almeno una delle due linee “A” o “B”.
I relè RL1, RL2, RL3, RL4, RL5, RL6, RL7, RL8 garantiscono la commutazione dalla linea A alla linea B del carico di
ogni uscita mentre i relè RL9, RL10, RL11, RL12, RL13, RL14, RL15, RL16 garantiscono la disconnessione dei
carichi.

Related product manuals