EasyManua.ls Logo

Riello RL 28/2 - Page 15

Riello RL 28/2
24 pages
Print Icon
To Next Page IconTo Next Page
To Next Page IconTo Next Page
To Previous Page IconTo Previous Page
To Previous Page IconTo Previous Page
Loading...
15
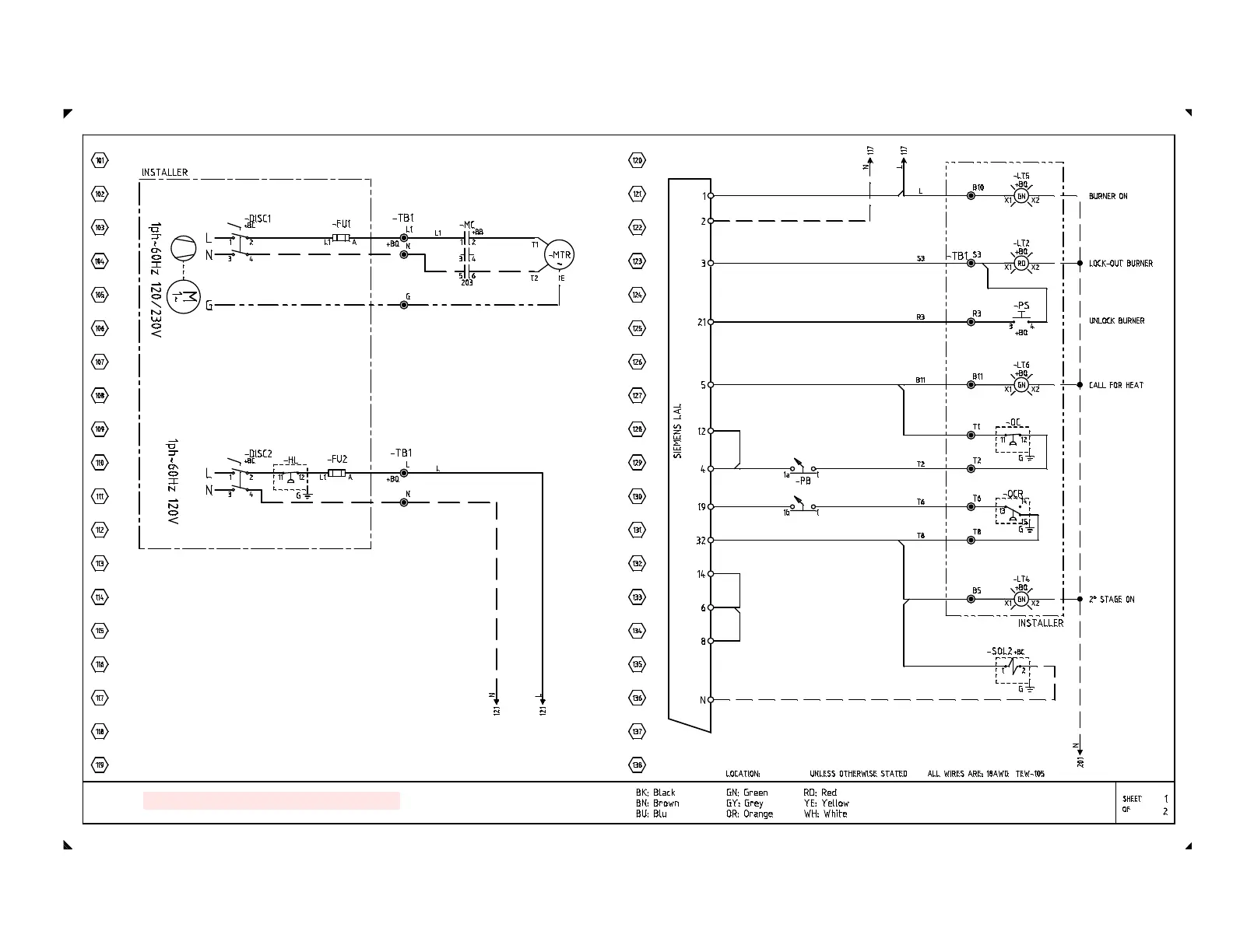
RL 50/2 SINGLE PHASE

Related product manuals