EasyManua.ls Logo

Riello RL 28/2 - Page 17

Riello RL 28/2
24 pages
Print Icon
To Next Page IconTo Next Page
To Next Page IconTo Next Page
To Previous Page IconTo Previous Page
To Previous Page IconTo Previous Page
Loading...
17
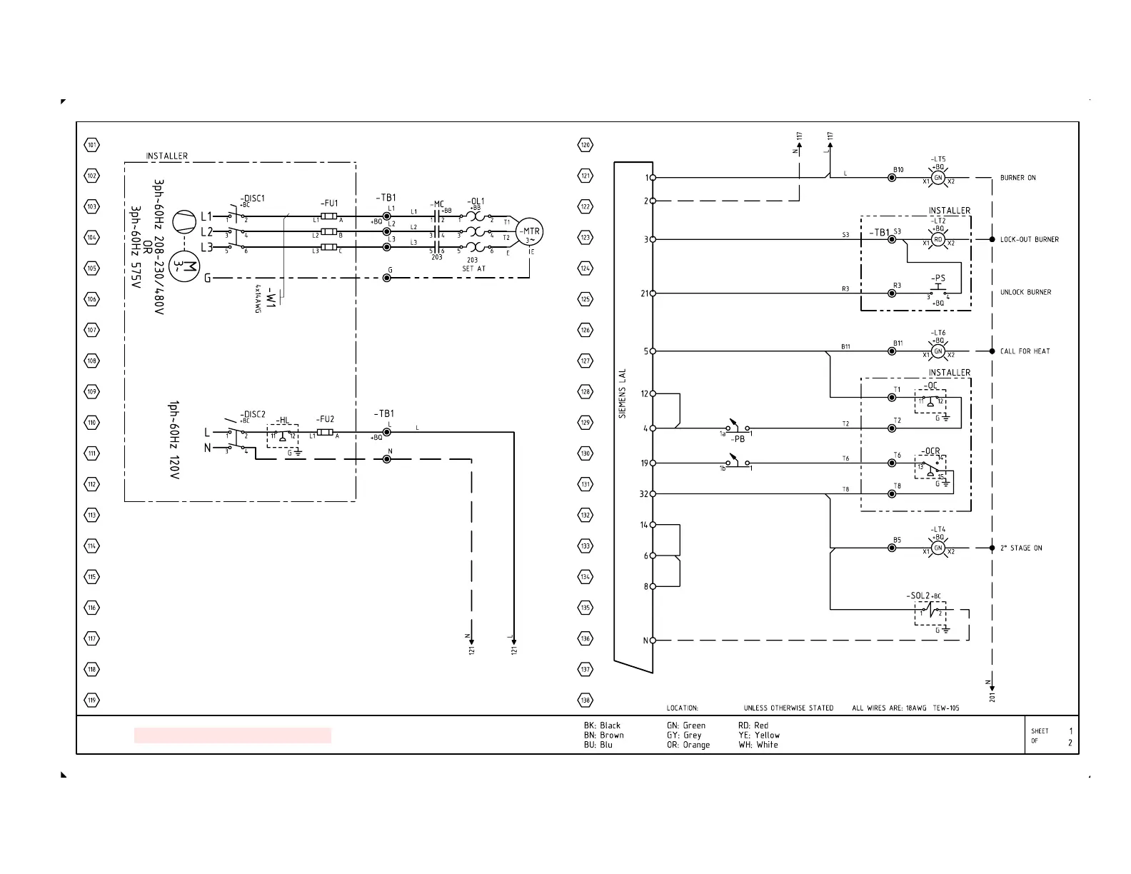
RL 38/2 - 50/2 THREE PHASE

Related product manuals