EasyManua.ls Logo

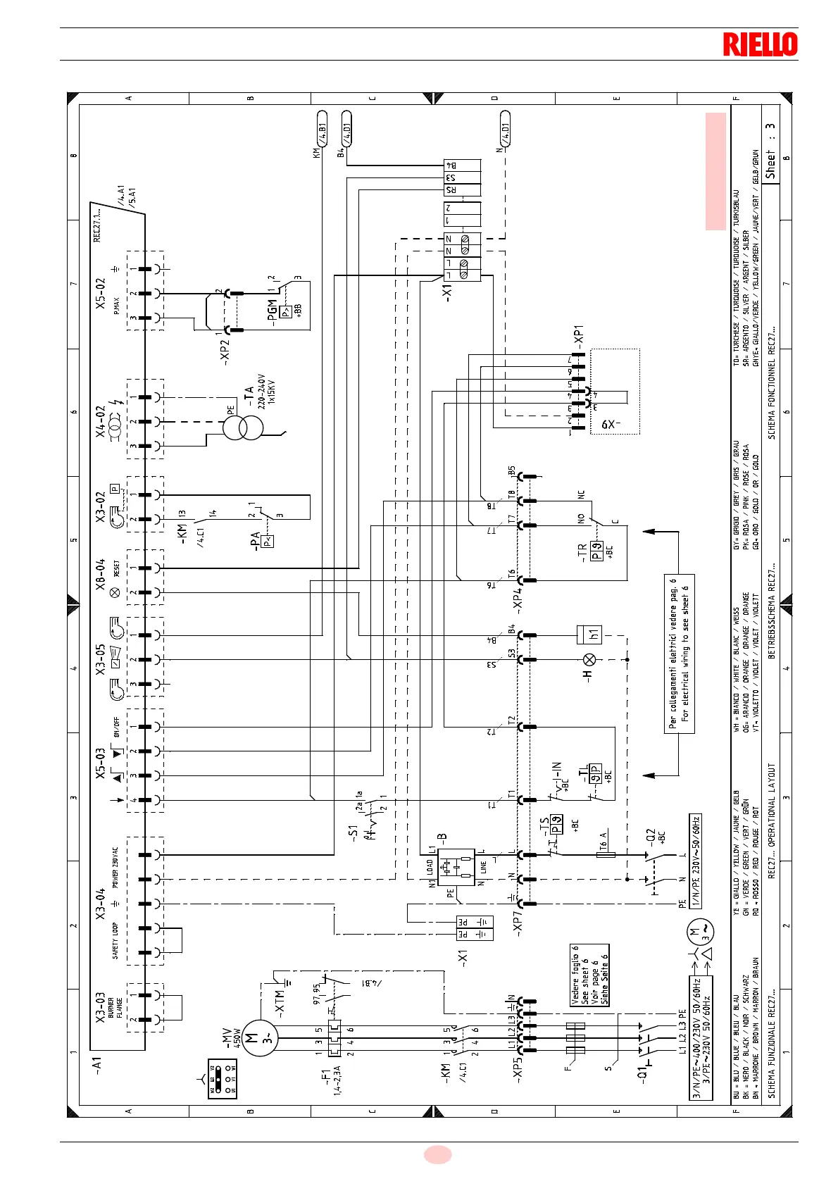
Riello RS 34/E MZ - REC27 Operational Layout - Sheet 3 (RS 44;E MZ 3 Ph)

Riello RS 34/E MZ
76 pages
Print Icon
To Next Page IconTo Next Page
To Next Page IconTo Next Page
To Previous Page IconTo Previous Page
To Previous Page IconTo Previous Page
Loading...
65
20068131
GB
Appendix - Electrical panel layout
RS 44/E MZ - 3Ph

Table of Contents

Related product manuals