EasyManua.ls Logo

RM 700 Series - Page 32

RM 700 Series
Print Icon
To Next Page IconTo Next Page
To Next Page IconTo Next Page
To Previous Page IconTo Previous Page
To Previous Page IconTo Previous Page
Loading...
INTRODUCTION
Translation of the original instructions
8
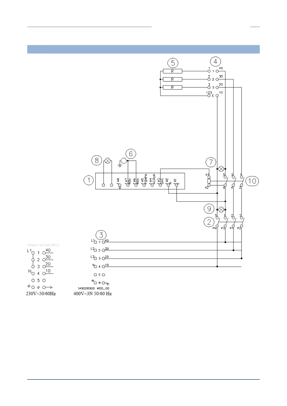
WIRING DIAGRAM CPT-74ET , CPT-76ET (D)
1 Water level control unit
2 Switch
3 Power supply terminal board
4 Switching terminal board
5 Heating element
6 Level probe
7 White indicator light
8 Red indicator light
9 Green indicator light
10 Contactor

Table of Contents