EasyManua.ls Logo

RM 700 Series - Page 33

RM 700 Series
Print Icon
To Next Page IconTo Next Page
To Next Page IconTo Next Page
To Previous Page IconTo Previous Page
To Previous Page IconTo Previous Page
Loading...
INTRODUCTION
Translation of the original instructions
9
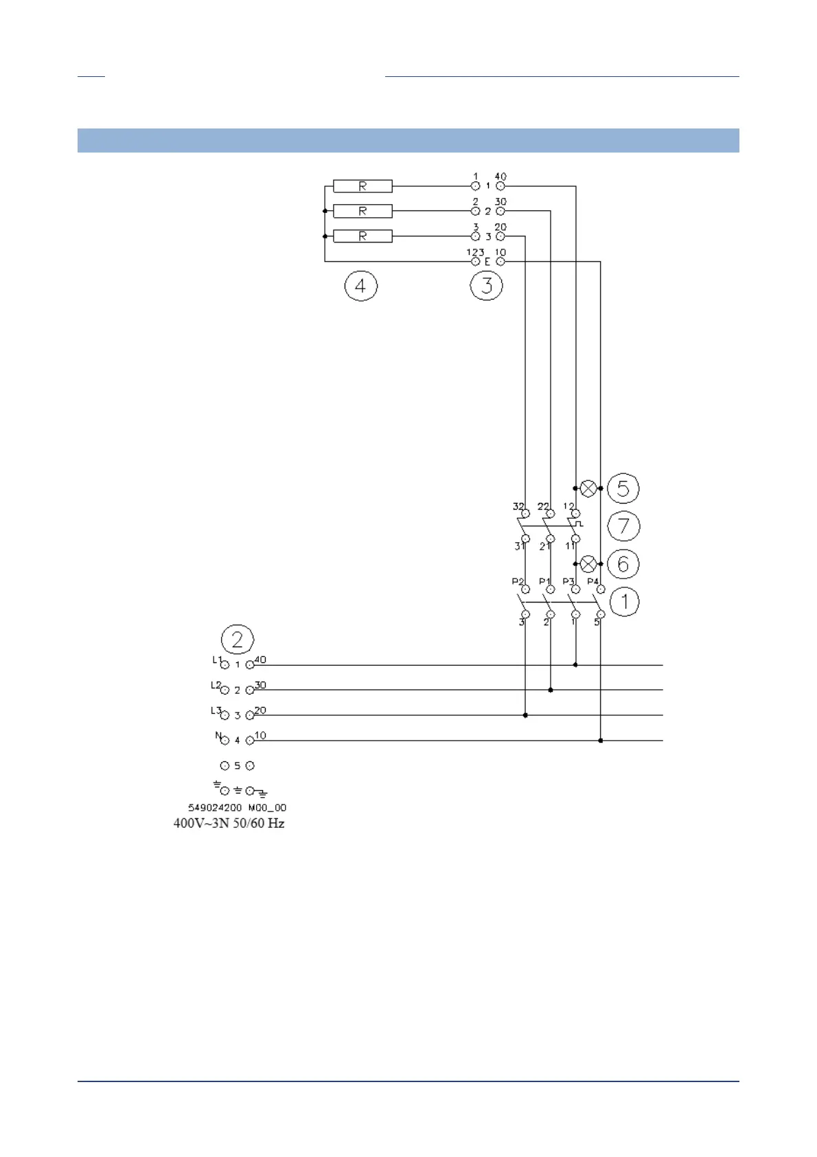
WIRING DIAGRAM CP-74ET , CP-76ET, CP-78ET (E)
1 Switch
2 Power supply terminal board
3 Switching terminal board
4 Heating element
5 White indicator light
6 Green indicator light
7 Safety thermostat

Table of Contents