EasyManua.ls Logo

RM 700 Series - Page 34

RM 700 Series
Print Icon
To Next Page IconTo Next Page
To Next Page IconTo Next Page
To Previous Page IconTo Previous Page
To Previous Page IconTo Previous Page
Loading...
INTRODUCTION
Translation of the original instructions
10
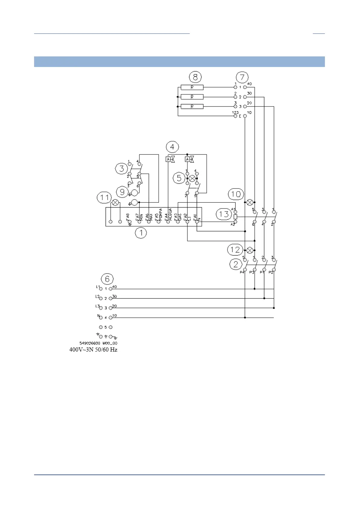
WIRING DIAGRAM CPA-74ET , CPA-76ET, CPA-78ET (F)
1 Water level control unit
2 Switch
3 Bipolar diverter
4 Water solenoid
5 Bipolar switch
6 Power supply terminal board
7 Switching terminal board
8 Heating element
9 Level probe
10 White indicator light
11 Red indicator light
12 Green indicator light
13 Contactor

Table of Contents