EasyManua.ls Logo

RM 700 Series - Page 56

RM 700 Series
Print Icon
To Next Page IconTo Next Page
To Next Page IconTo Next Page
To Previous Page IconTo Previous Page
To Previous Page IconTo Previous Page
Loading...
WSTĘP
Instrukcje przetłumaczone z języka oryginalnego
8
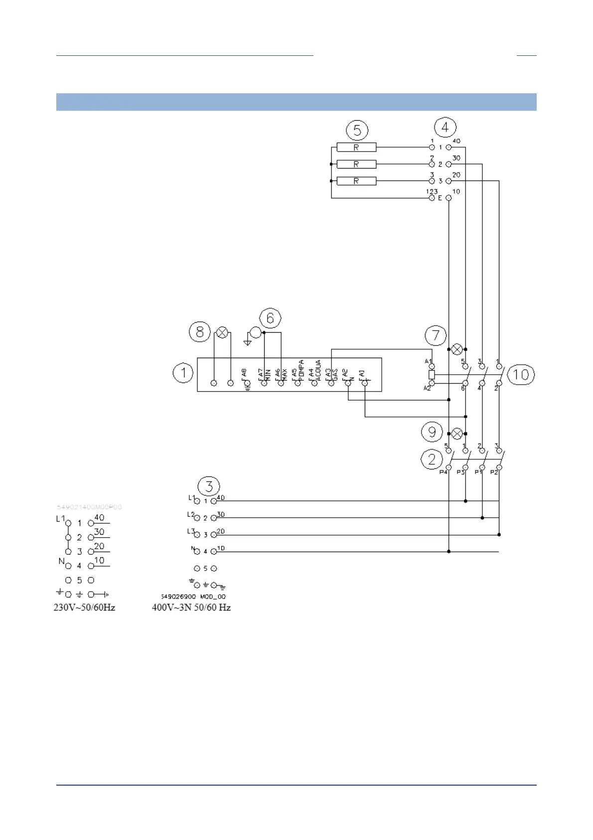
SCHEMAT ELEKTRYCZNY CPT-74ET , CPT-76ET (D)
1 Centralka poziomu wody
2 Przełącznik
3 Skrzynka zaciskowa zasilania
4 Skrzynka zaciskowa przełączania
5 Grzałka
6 Sonda poziomu
7 Kontrolka biała
8 Kontrolka czerwona
9 Kontrolka zielona
10 Stycznik

Table of Contents