EasyManua.ls Logo

RM 700 Series - Page 57

RM 700 Series
Print Icon
To Next Page IconTo Next Page
To Next Page IconTo Next Page
To Previous Page IconTo Previous Page
To Previous Page IconTo Previous Page
Loading...
WSTĘP
Instrukcje przetłumaczone z języka oryginalnego
9
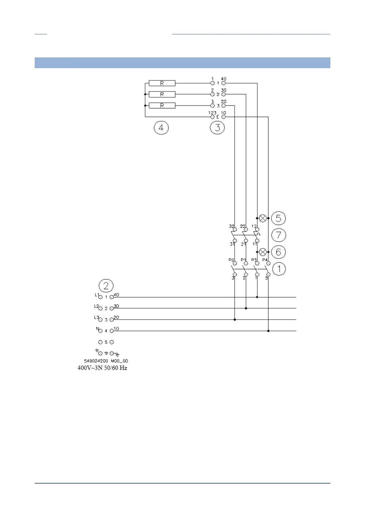
SCHEMAT ELEKTRYCZNY CP-74ET , CP-76ET, CP-78ET (E)
1 Przełącznik
2 Skrzynka zaciskowa zasilania
3 Skrzynka zaciskowa przełączania
4 Grzałka
5 Kontrolka biała
6 Kontrolka zielona
7 Termostat bezpieczeństwa

Table of Contents