EasyManua.ls Logo

RM 700 Series - Page 58

RM 700 Series
Print Icon
To Next Page IconTo Next Page
To Next Page IconTo Next Page
To Previous Page IconTo Previous Page
To Previous Page IconTo Previous Page
Loading...
WSTĘP
Instrukcje przetłumaczone z języka oryginalnego
10
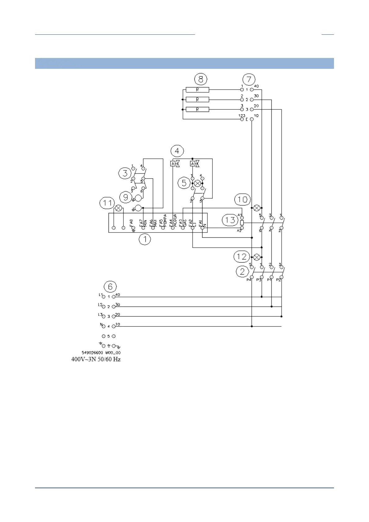
SCHEMAT ELEKTRYCZNY CPA-74ET , CPA-76ET, CPA-78ET (F)
1 Centralka poziomu wody
2 Przełącznik
3 Przełącznik dwubiegunowy
4 Elektrozawór wody
5 Wyłącznik dwubiegunowy
6 Skrzynka zaciskowa zasilania
7 Skrzynka zaciskowa przełączania
8 Grzałka
9 Sonda poziomu
10 Kontrolka biała
11 Kontrolka czerwona
12 Kontrolka zielona
13 Stycznik

Table of Contents