EasyManua.ls Logo

RM 700 Series - Page 9

RM 700 Series
Print Icon
To Next Page IconTo Next Page
To Next Page IconTo Next Page
To Previous Page IconTo Previous Page
To Previous Page IconTo Previous Page
Loading...
ÚVOD
Překlad návodu z původního jazyka
9
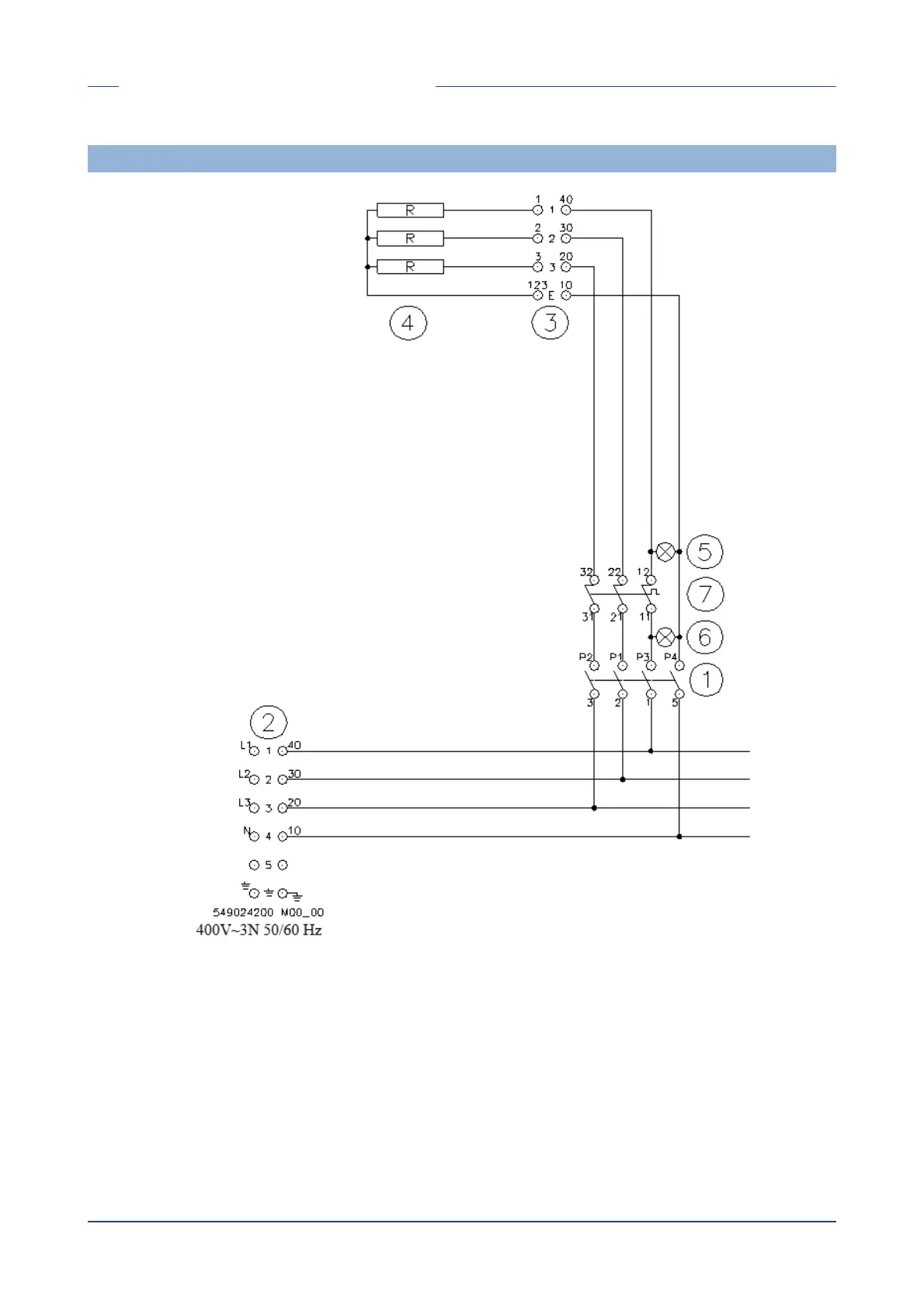
ELEKTRICKÉ SCHÉMA CP-74ET , CP-76ET, CP-78ET (E)
1 Přepínač
2 Napájecí svorkovnice
3 Přepínací svorkovnice
4 Topné těleso
5 Bílá kontrolka
6 Zelená kontrolka
7 Bezpečnostní termostat

Table of Contents