EasyManua.ls Logo

Robin DR400/120D - Page 20

Robin DR400/120D
104 pages
Print Icon
To Next Page IconTo Next Page
To Next Page IconTo Next Page
To Previous Page IconTo Previous Page
To Previous Page IconTo Previous Page
Loading...
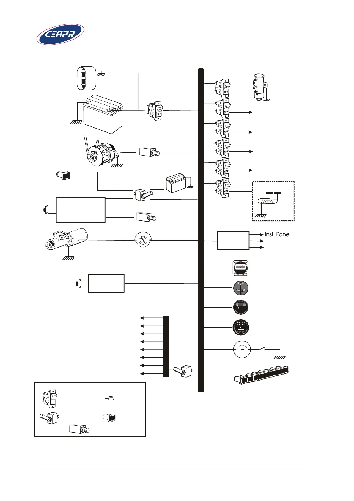
Supplement POH DR400/120D, DR400/140B,
DR400/180R, DR400/200R, DR400/RP
Page 1 - 4 Issue 3 July 2014
STARTER
PITOT HEAT
(optional)
ALTERNATOR
BATTERY
EXTERNAL POWER
PLUG
SWITCH TYPE
CIRCUIT BREAKER
TRIP FREE
CIRCUIT BREAKER
SWITCH
PUSH
BUTTON
WARNING
LIGHT
FADEC
PULL TO
FORCE B
ENGINE MASTER
ALTERNATOR
BATTERY
TEST
START
(key)
GLOW
CED
COMPACT ENGINE DISPLAY
TEST / ACK
TURN INDICATOR
VOLTMETER
STROBE
LIGHT
NAVIGATION
LIGHT
TAXI
LIGHT
LANDING
LIGHT
ELECT.
PUMP
FUEL
TEMPERATURE
PITOT
HEAT
DIMMERS
AVIONICS
STALL WARNING
FUEL GAUGE
ANNUNCIATOR PANEL
FUEL
TEMPERATURE
ICE ZONE
ELECTRONICS INTERNATIONAL
C
RDO & inst.
Cabin
Figure 1-1 Simplified block diagram

Table of Contents

Related product manuals