EasyManua.ls Logo

Robin DR400/120D - Page 26

Robin DR400/120D
104 pages
Print Icon
To Next Page IconTo Next Page
To Next Page IconTo Next Page
To Previous Page IconTo Previous Page
To Previous Page IconTo Previous Page
Loading...
Supplement POH DR400/120D, DR400/140B,
DR400/180R, DR400/200R, DR400/RP
Page 1 - 10 Issue 3 July 2014
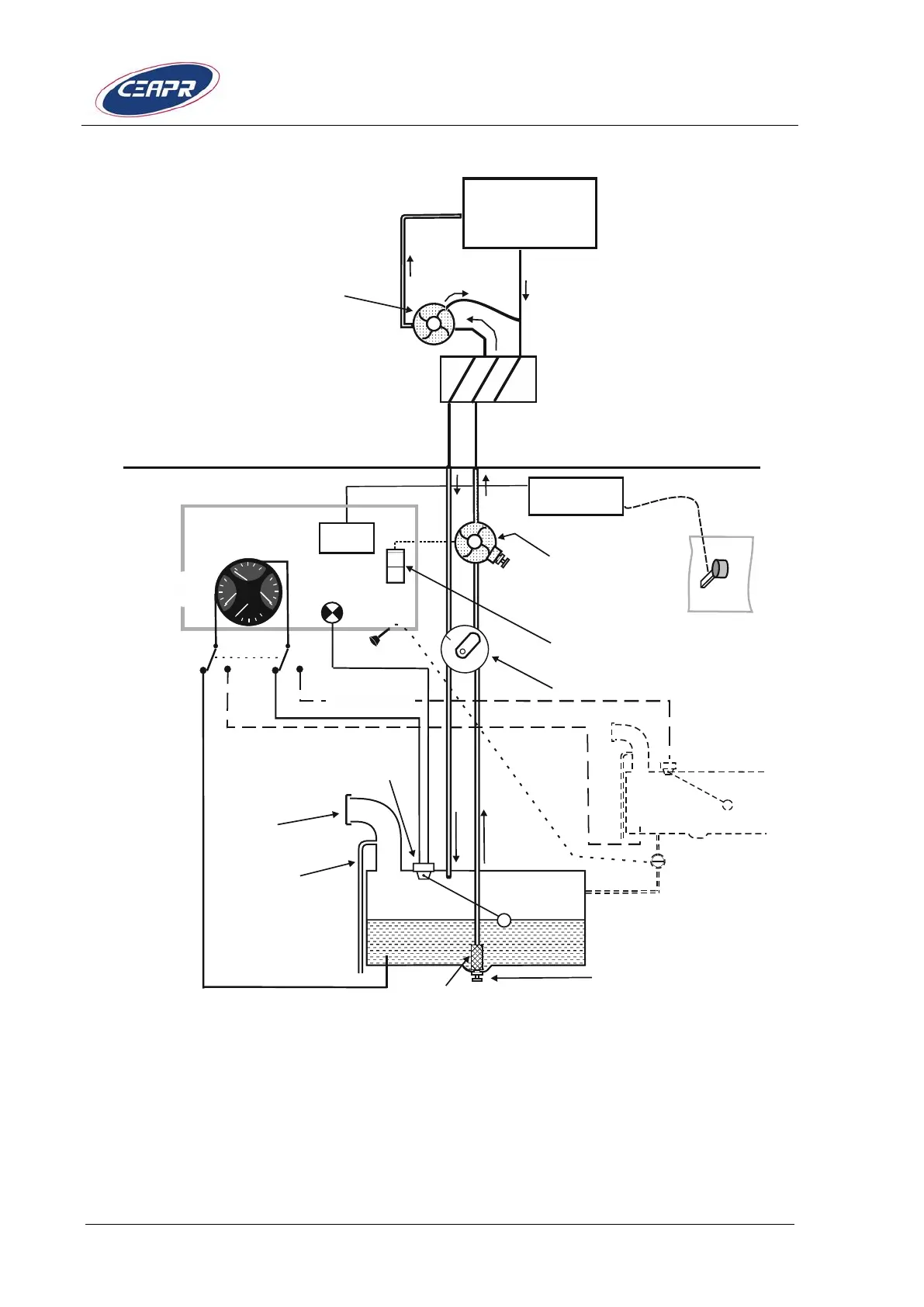
FUEL TANK (110 Litres)
Fuel shut-off
with fuel filter
and
drain-valve
Electric
fuel pump,
Switch
Engine-driven
fuel pump
Fire-wall
Fuel quantity
transmitter
Vent/overflow line
Filler
port
Drain valve
Strainer
Power lever
Fuel
quantity
ON
OFF
Option.fuel
quantity
FU E L
FILT E R
CED
Excess from
fuel injectors
Excess from
fuel pump
6
8
10 12
14
16
FUEL
F
½
E
FUEL
2
1 3WESTACH
Fuel
low-level
Fuel
temperature
Optional
switch
Optional tank
50 litres
VOLTS
FUEL
°C
½
E
OAT
FUEL
2
1 3
4
WESTACH
F
ENGINE
FADEC
Figure 1-2 Fuel system simplified diagram (Instrument panel model #3)

Table of Contents

Related product manuals