EasyManua.ls Logo

Robland X260 - Page 43

Default Icon
59 pages
Print Icon
To Next Page IconTo Next Page
To Next Page IconTo Next Page
To Previous Page IconTo Previous Page
To Previous Page IconTo Previous Page
Loading...
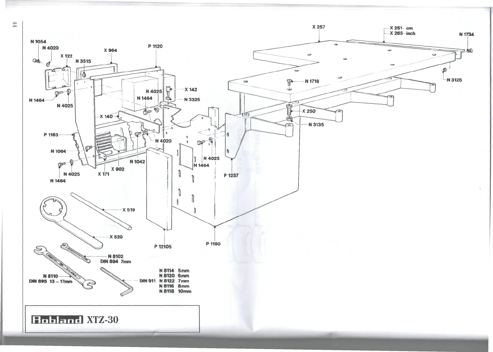
X257
X
251
cm
X
265
inch
N1734
N1054
N4020
X964
P1120
X122
npo^r
N
1464
N4025
DIN
895
13
N8114
5mm
N8120
6mm
DIN
911
N8122
7mm
N8116
8mm
N8118
10mm
Robland
XTZ-30

Related product manuals