EasyManua.ls Logo

Robland XTZ30 - Page 34

Default Icon
59 pages
Print Icon
To Next Page IconTo Next Page
To Next Page IconTo Next Page
To Previous Page IconTo Previous Page
To Previous Page IconTo Previous Page
Loading...
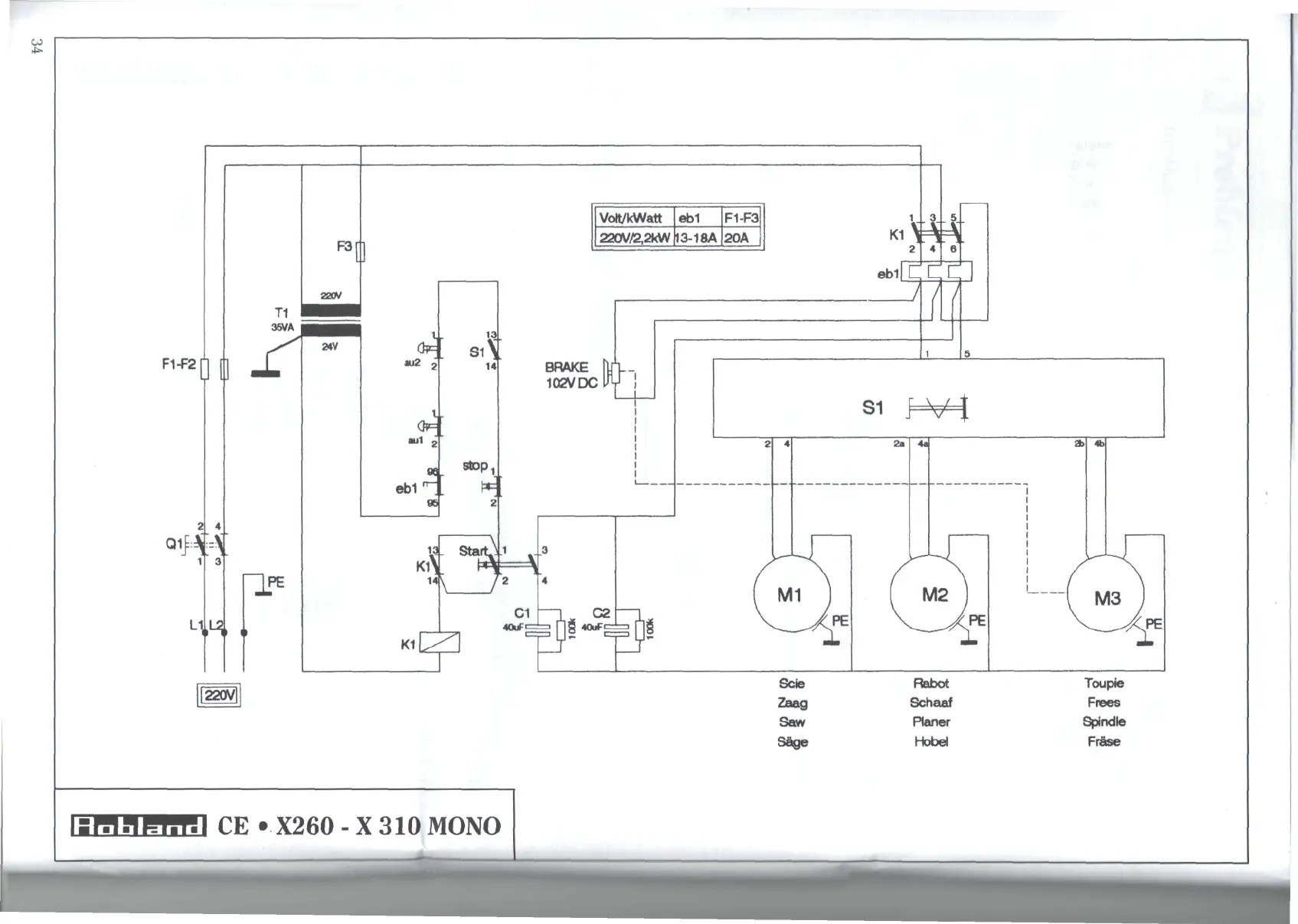
F1-F2
Qlf.
2 4
^
IT
3
F3
220V
Vott/kWatt
220W2.2KW
eb1
13-18A
F1-F3
20A
1
<$F
•U2
2
1
«
eb1
^
19
S1\
14]
-
'
stop.
2
BRAKE
102V
DC
2 4
S1
2a
4a
Scie
QfiUU
oaw
Sage
Rabot
Schaaf
Planer
Hobel
2b
4fa
Toupie
Frees
Spindle
Frase
Hah and
CE«-X260-X
310
MONO

Related product manuals