EasyManua.ls Logo

Rohm PMIC BD96801 - Page 19

Default Icon
37 pages
Print Icon
To Next Page IconTo Next Page
To Next Page IconTo Next Page
To Previous Page IconTo Previous Page
To Previous Page IconTo Previous Page
Loading...
19/36
Users Guide
BD96801-SPA7-EVK-301
© 2022 ROHM Co., Ltd.
65UG018E Rev.001
July 2022
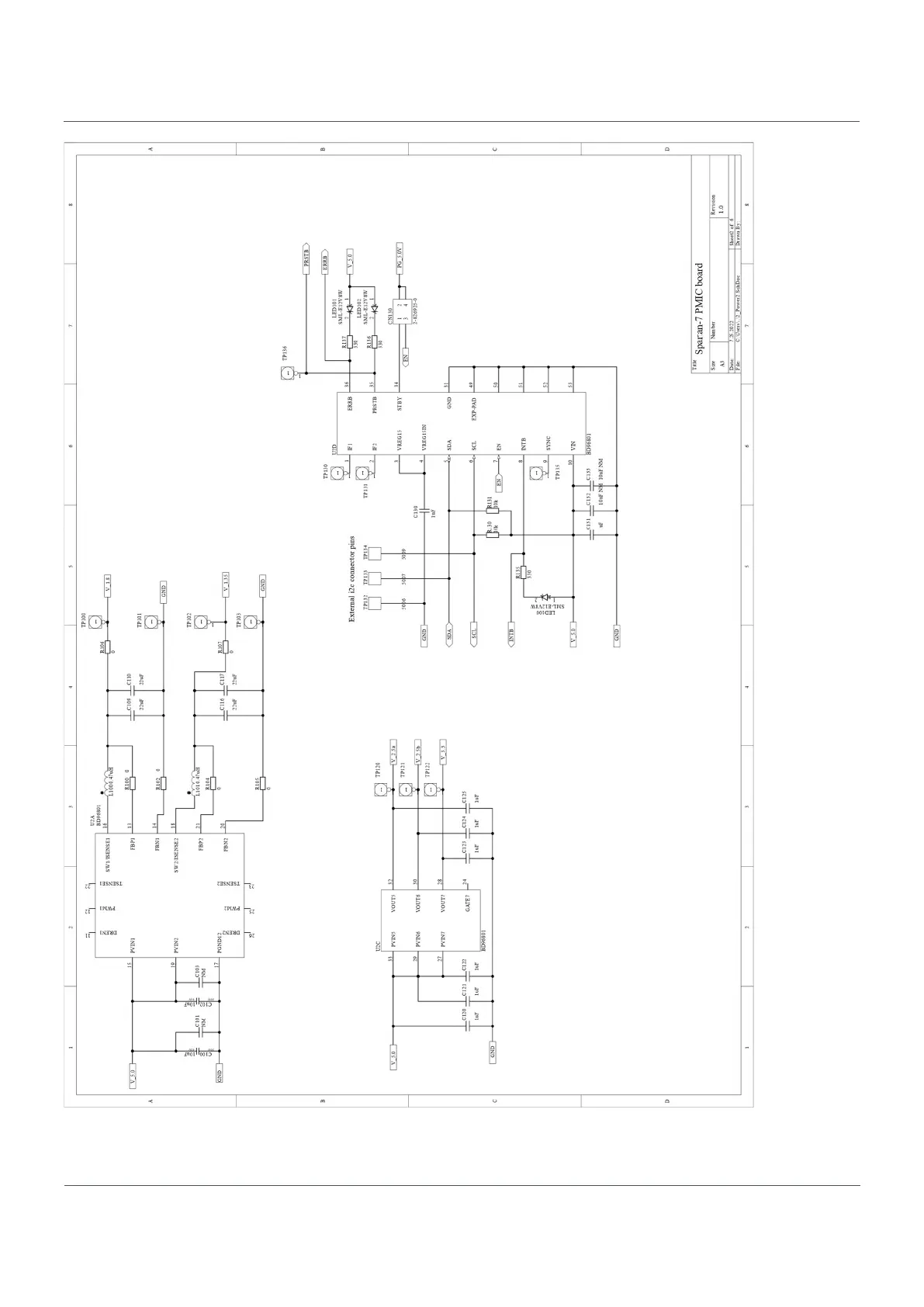
Figure 15: schematic of power supply stage 2/2