EasyManua.ls Logo

Rohm PMIC BD96801 - Power Tree

Default Icon
37 pages
Print Icon
To Next Page IconTo Next Page
To Next Page IconTo Next Page
To Previous Page IconTo Previous Page
To Previous Page IconTo Previous Page
Loading...
8/36
© 2022 ROHM Co., Ltd.
65UG018E Rev.001
July 2022
Users Guide
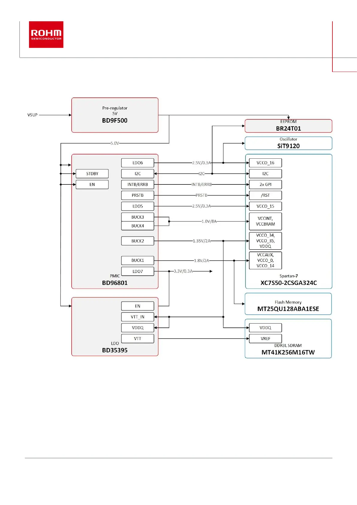
3.3. Power tree
Figure 2 shows an overview of the overall system, indicating the required voltages to power up the key components.
Figure 2: power tree