EasyManua.ls Logo

Roland Dr. Sample SP-303 - Page 31

Roland Dr. Sample SP-303
36 pages
Print Icon
To Next Page IconTo Next Page
To Next Page IconTo Next Page
To Previous Page IconTo Previous Page
To Previous Page IconTo Previous Page
Loading...
31
Mar.2001 SP-303
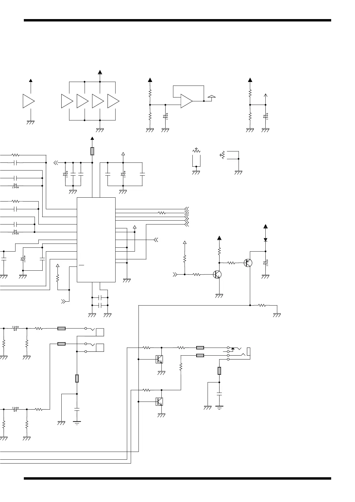
fig.analog
CKOUT:256FS
AD:20MSB
DA:20MSB
PHONE
LINE
OUT
L
R
CODEC
MUTE
A +9V
A+4.5V
(MIC
ONLY)
A +9V
A+4.5V
(EXCEPT
MIC)
C-VDD
CODEC-MCK
CODEC-BCK
CODEC-LRCK
C-DADATA
C-SMUTE
C-ADDATA
A-MUTE
C-PD
A
A
A
D
+
D3.3
D A
+
D3.3
AA
A
+
5A
D
+
D3.3
A
A
A
A
A
A
A
A
A
A
+
+
+
+
D3.3
+
+
5A
A
A
A A A A
A
+
+
4.5v(M)
A
JK9
LGR4609-7000
1
2
3
4
C195
0.1
+
-
IC1A
UPC4570G
2
3
1
+
-
IC1C
UPC4570G
84
+
-
IC2C
UPC4570G
84
IC35
AK4522VF
VREFH
1
AINR+
2
AINR-
3
AINL+
4
AINL-
5
VA
6
AGND
7
DIF0
8
DIF1
9
LRCK
10
SCLK
11
SDTI
12
SDTO
13
SMUTE
14
DEM0
15
DEM1
16
MCLKI
17
VD
18
DGND
19
PD
20
CMODE
21
AOUTL
22
AOUTR
23
VCOM
24
C172 0.1
C
169
0.0022
C165 0.1
C164 0.0022
R141 470
C176
10/16
C177
0.1
C162
0.1
C161
0.1
C163
10/16
R160
22
Q16
RN1441
1
2 3
R171
22
Q18
RN1441
1
2 3
VR5C
RK09L1220 50KA
10
20
R158
100k
R159
100k
R152
1k
C183
22/16
C193
0.1
JK8B
YKC21-3049
32
31
42
41
R174
100k
R167
1k
R173
100k
+
-
IC3C
BA15218F
84
+
-
IC4C
UPC4570G
84
+
-
IC5C
M5216FP
84
C178
10/16
D9
MA111
12
R180
10k
R181
10k
C174 4.7/50
C166 4.7/50
R183
22
R184
22
R185
10k
C211
10/16
R146
10K
Q22
2SA1602A
1
3 2
R199
10k
R200
*
1M (44LOT-UP)
Q14
2SC4116GR
1
2 3
VR6B
250kRD
10
20
R127
10k
R130
10k
C156
10/16
R63
10k
C74
470/6.3
R62
10k
L10
N2012Z601T02
R240 100
L9
N2012Z601T02
L34
N2012Z601T02
L30
N2012Z601T02
L31
N2012Z601T02
L32
N2012Z601T02
L33
N2012Z601T02
2
64
C265
0.1
C305
0.1
C198
22/16
R138 470
C306
0.1
C179
N.M.T
K

Related product manuals