EasyManua.ls Logo

Roland Dr. Sample SP-303 - Circuit Diagram(Analog)

Roland Dr. Sample SP-303
36 pages
Print Icon
To Next Page IconTo Next Page
To Next Page IconTo Next Page
To Previous Page IconTo Previous Page
To Previous Page IconTo Previous Page
Loading...
30
Mar.2001 SP-303
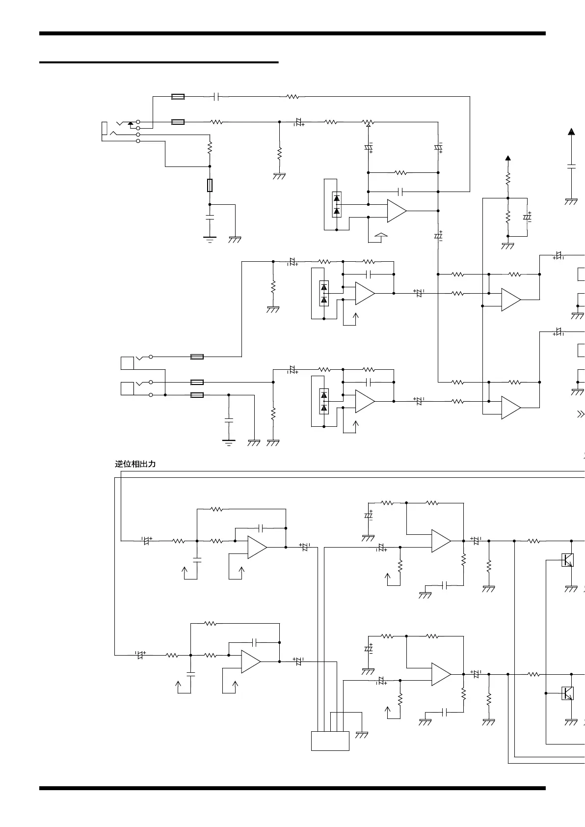
CIRCUIT DIAGRAM(ANALOG)
fig.analog
LINE IN
L
R
MIC IN
DA
VOLUME
fc=20.xxxkHz
Q=0.99
G=8.57
MIC VOLUME
TO SW BOARD
CN15
C-VDD
A
A
A
+
A
+
++
++
+
+
A
A
A
A
A
A
+
5A
A
A
4.5v(M)
A
+
A
A
A
JK7
LGR4609-7000
1
2
3
4
JK8A
YKC21-3049
12
11
22
21
C173
0.1
R128
150
R125
1K
R129
22k
C154
22/16
R124 1M
R126
1k
R137
47K
C159
22/16
R131 47k
R135
47k
C171
22/16
R145
47K
+
-
IC2B
UPC4570G
6
5
7
R139 47k
R143
47k
+
-
IC3A
BA15218F
2
3
1
R133
3.9k
R136
10k
R140 3.9k
+
-
IC3B
BA15218F
6
5
7
R132
10K
C
C175
0.1
+
-
IC4B
UPC4570G
6
5
7
C184
100p
R150
33k
R156
15k
R155
12k
C190
0.0012
C187
10/16
+
-
IC4A
UPC4570G
2
3
1
C203
100p
R170
33k
R176
15k
R175
12k
C207
0.0012
C205
10/16
C189
22/16
C204
22/16
C152
0.01
R123
10k
C185
1/50
+
-
IC5A
M5216FP
2
3
1
C194
10/16
R157
100k
R162
10k
+
-
IC5B
M5216FP
6
5
7
R149 22k
C199
1/50
R148
10k
C181
150p
R163 22k
C196
150p
C180
10/16
R172
100k
R151
1k
R166
1k
Q15
DTC314TK
1
2 3
C197
100/16
+
-
IC1B
UPC4570G
6
5
7
R182
10K
CN12
RIBON CABLE 5P
1
1
2
2
3
3
4
4
5
5
R207
4.7k
R208
4.7k
C225
10/16
VR6A
250kRD
1
2
3
C224
1/50
C182
100/16
R161
100
R177
100
C242
22/16
C243
22/16
C246 10p
C248 10p
L8
N2012Z601T02
DA1
MA147-(TX)
21
3
DA3
MA147-(TX)
21
3
DA2
MA147-(TX)
21
3
C167
100/6.3
L28
N2012Z601T02
L29
N2012Z601T02
C
2
0.1
L51
N2012Z601T02
L52
N2012Z601T02
L53
N2012Z601T02
C244
22/16
+
-
IC2A
UPC4570G
2
3
1
C247 10p
R144
10k
C308
0.22/50
C160
100/6.3
C155
0.1
Q17
DTC314T
K
1
2 3
R249
1k
R248
1k

Related product manuals