EasyManua.ls Logo

Roland Dr. Sample SP-303 - Circuit Diagram(Power)

Roland Dr. Sample SP-303
36 pages
Print Icon
To Next Page IconTo Next Page
To Next Page IconTo Next Page
To Previous Page IconTo Previous Page
To Previous Page IconTo Previous Page
Loading...
34
Mar.2001 SP-303
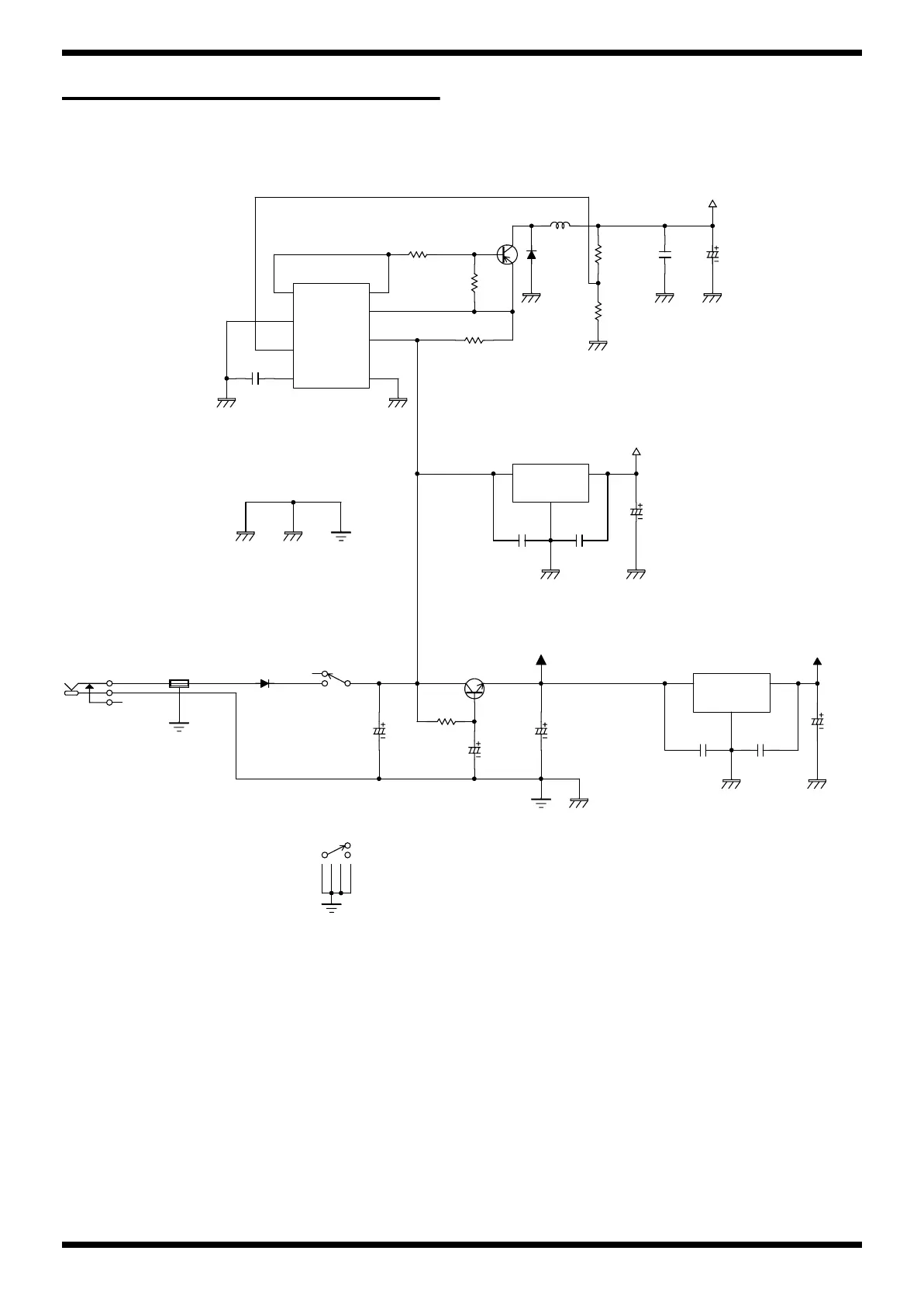
CIRCUIT DIAGRAM(POWER)
fig.power
POWER SW
ADAPTOR JK
ANALOG +8.5V
ANALOG +5V
CODEC
DIGITAL +5V
GA,7SEG LED Tr ARRAY
DSP,DSP MEMORY
DIGITAL +3.3V
A
A A
+
5A
+
5D
+
DD
D
D
+
D3.3
DD
D D
AD
R86
2.2k
C142
470/6.3
C145
470/16
C143
1000/16
C144
470/16
SW1A
SLG-12-465A
2
1
3
SW1B
SLG-12-465A
40
30
20
10
C146
0.1
C147
0.1
C139
1000/6.3
IC31
AN7805
IN
1
GND
2
OUT
3
C140
0.1
C141
0.1
IC30
NJM2360AF
CS
1
ES
2
CT
3
GND
4
VIN-
5
VCC
6
IPK
7
CD
8
R191
0.33(1/2W)
R187
270
R189
100
Q19
2SA1706S-AN
3
21
C216
150p
D11
SB07-03N
1 2
L7
ELC10D221E
R188
1.6k(METAL)
R190
1k(METAL)
C213
0.1
C214
1000/6.3
IC41
TA78M05S
IN
1
GND
2
OUT
3
Q10
2SD2012
1
32
D4
RB051L-40
1 2
JK6
HEC2305-01-250
2
1
3
FL1
DSS310-91D223S

Related product manuals