EasyManua.ls Logo

Rollplay W463 - Steering Rod Assembly

Rollplay W463
28 pages
Print Icon
To Next Page IconTo Next Page
To Next Page IconTo Next Page
To Previous Page IconTo Previous Page
To Previous Page IconTo Previous Page
Loading...
9
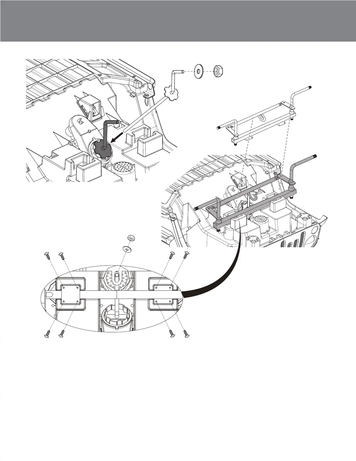
Attach the Steering Rod
1. Gently flip the vehicle upside down and lay on a smooth surface.
2. Remove the locknut and washer from Steering Rod (16), insert the Steering
Rod into the hole near the front of the vehicle.
3. Slide the Axle Frame onto the Steering Rod through the slot on the Axle Frame,
then secure the frame with the locknut and washer.
4. Secure the frame with four Screws (17) using a Phillips screwdriver.

Related product manuals