EasyManua.ls Logo

Rope M588 - Device wiring diagram

Rope M588
12 pages
Print Icon
To Next Page IconTo Next Page
To Next Page IconTo Next Page
To Previous Page IconTo Previous Page
To Previous Page IconTo Previous Page
Loading...
ROPE INNOVATION CO., LTD. CONFIDENTIAL NO.
ROPE-15121802
Copyright © 2017 ROPE INNOVATION CO., LTD. All rights reserved. Website: www.myrope.cn
6
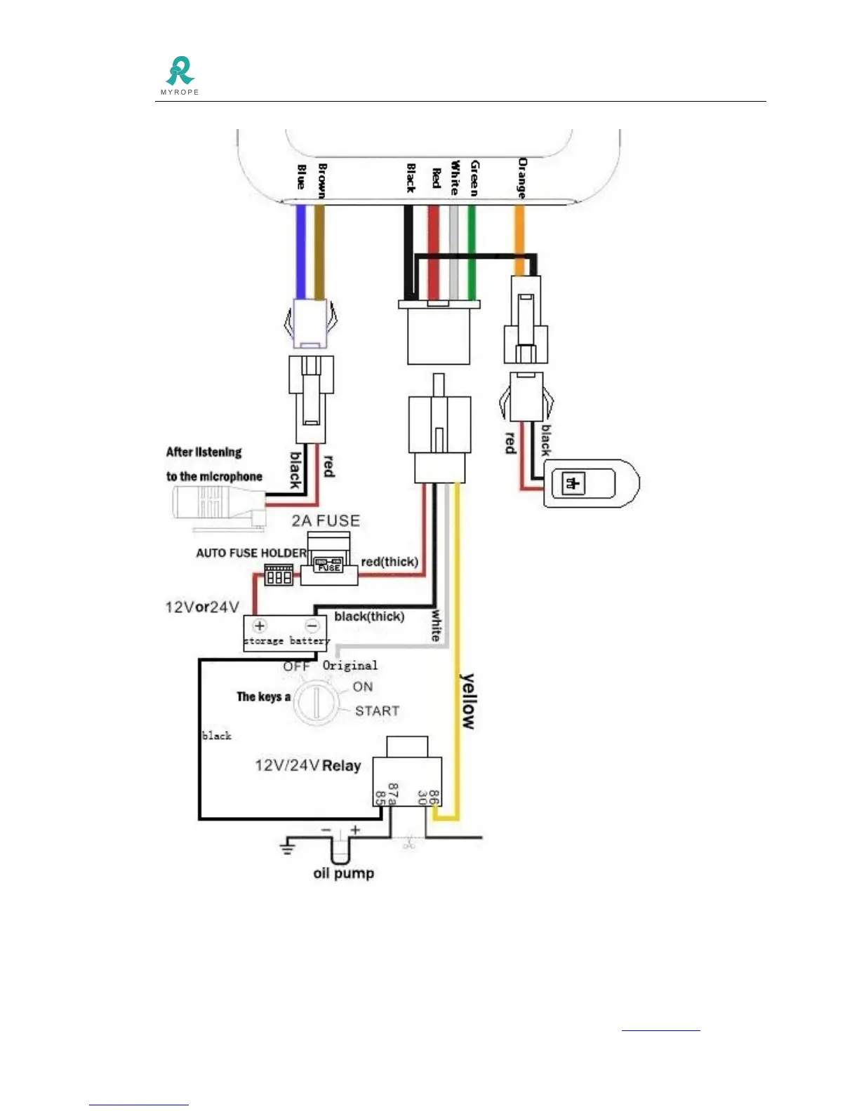
2.6 Device wiring diagram

Related product manuals