EasyManua.ls Logo

RPS Falcon 200 - Electric Diagram

RPS Falcon 200
28 pages
Print Icon
To Next Page IconTo Next Page
To Next Page IconTo Next Page
To Previous Page IconTo Previous Page
To Previous Page IconTo Previous Page
Loading...
22
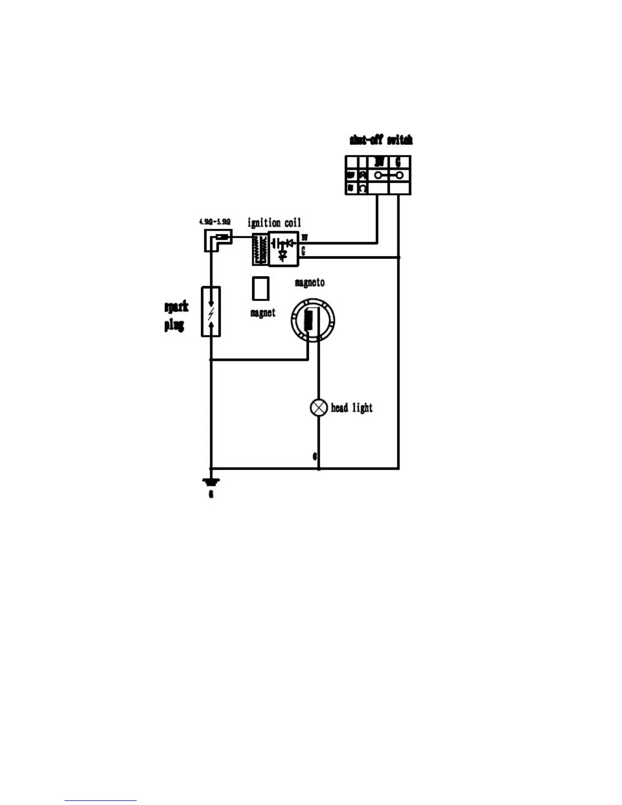
ELECTRICAL DIAGRAM (FALCON200 MINI BIKE)

Related product manuals