EasyManua.ls Logo

Ruggerini RY 70 - Page 63

Default Icon
74 pages
Print Icon
To Next Page IconTo Next Page
To Next Page IconTo Next Page
To Previous Page IconTo Previous Page
To Previous Page IconTo Previous Page
Loading...
63
17-04-2003
01
15-01-2004
DATE
COMPILER TECO/ATI
REG. CODE
1-5302-467
MODEL N°
50707
DATE OF ISSUE
REVISION
ENDORSED
XI
128
129
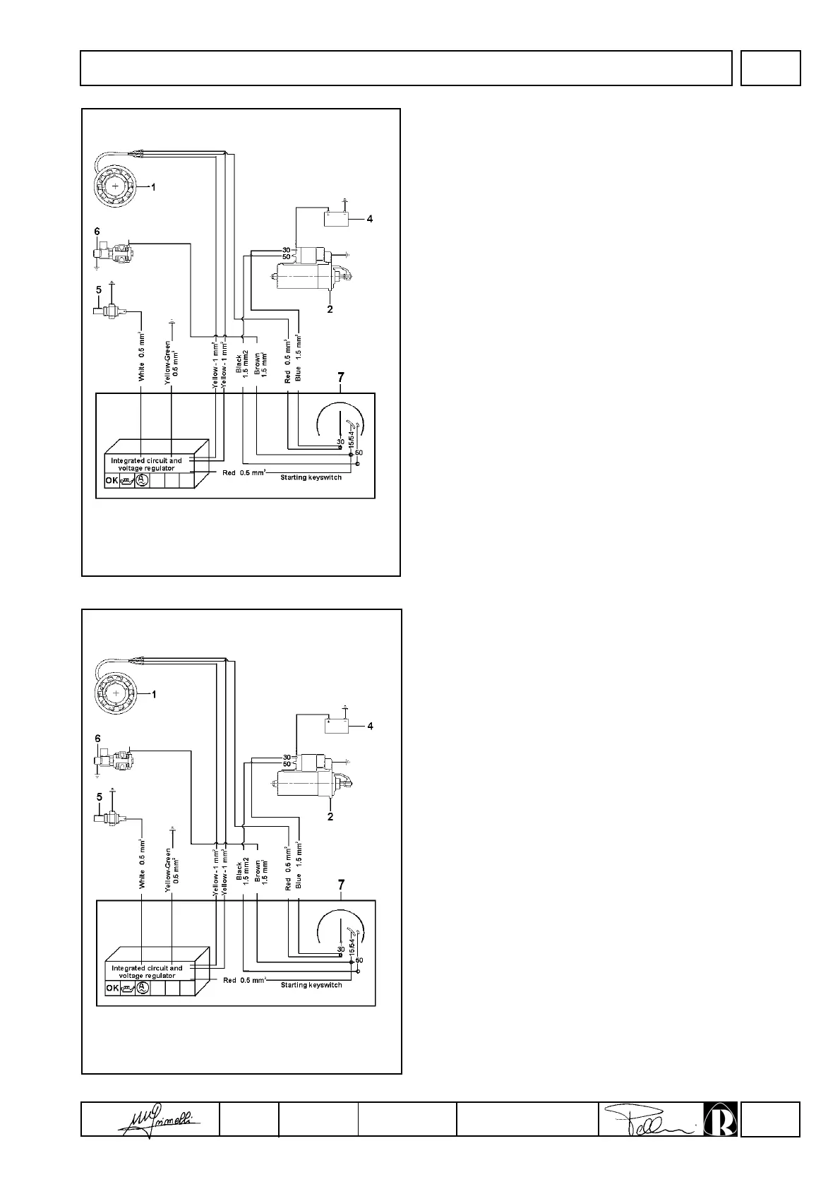
ELECTRICAL SYSTEM
12V electric starter diagram with voltage regulator built into the
ignition panel
Components:
1 Alternator
2 Starter motor
4 Battery
5 Pressure switch
6 Solenoid valve
7 Ignition switch
Note: The battery, which is not supplied by RUGGERINI, should
have 12V nominal voltage rating and a capacity of not less
than 44 Ah / 210 Amp. of fast discharge intensity.
12V electric ignition layout with motor protection (optional)
Components:
1 Alternator
2 Starter motor
4 Battery
5 Pressure switch
6 Solenoid valve
7 Ignition switch
8 Panel
Note: The battery, which is not supplied by RUGGERINI, should
have 12V nominal voltage rating and a capacity of not less
than 44 Ah / 210 Amp. of fast discharge intensity.

Table of Contents

Other manuals for Ruggerini RY 70

Related product manuals