EasyManua.ls Logo

RYTEC DG1200 - Wiring Schematics: Fast-Seal Model; Fast-Seal One-Speed Gateway (E4200) Diagram

RYTEC DG1200
26 pages
Print Icon
To Next Page IconTo Next Page
To Next Page IconTo Next Page
To Previous Page IconTo Previous Page
To Previous Page IconTo Previous Page
Loading...
18
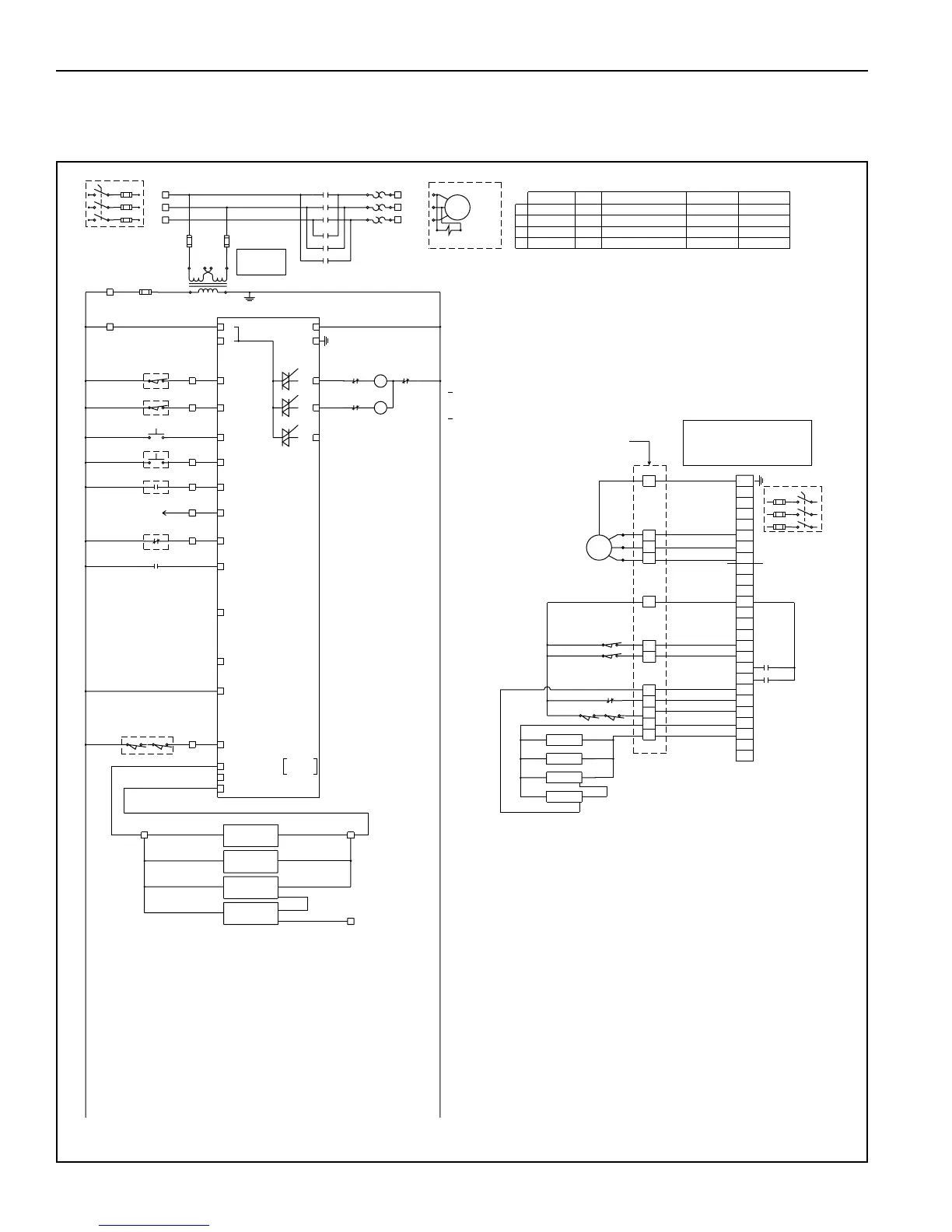
WIRING SCHEMATICS
FAST-SEALONE-SPEED DIGITAL GATEWAY (E4200)
1
1
1
- POWER
- AC CONTROL
- DC CONTROL
- FLOOR LOOP
TERMINAL BLOCKS
BLACK
RED
BLUE
BEIGE
GREEN/YELLOW - GROUND
JUNCTION BOX
ON DOOR HEADER
GND
L1
L3
L2
GND
BY OTHERS
T2
1
T3
1
1
1
1
T1
FUSED DISCONNECT
X2
X2
8
12
15
14
9
27
31
29
33
32
17
PULL CORD/PB
MOT DET/LOOP
G
T2
T3
1
MOTOR
T1
8
15
9
27
31
29
BLUE
BLUE
BLUE
17
LSO
LSC
RE1
BRN
BRN
BRN
LSB1/LSB2
RECEIVER
EMITTER
PE1
PE2
EMITTER
PE1
BLUEBRN
PE2
RECEIVER
WHITE
WHITE
L2
L3
L1
FUSED DISCONNECT
BY OTHERS
SEE MOTOR TABLE
FOR FUSE SIZE
H1-H3
H2-H4
H2-H3
FU2
H4
460V -
230V -
X2
100 VA
H2H3
FU2
H1
24 VAC
CT1
X1
FU1
X2
OLR
T2
T3
T1
M1O
M1C
MOTOR
BRAKE
0-011-592
0-011-590
RYTEC NO
0-011-591
0-011-591
6.0 AMP
3.5 AMP
1 8/10 AMP
1 8/10 AMP
RECOMMENDED FUSE
193-A1E1
OVERLOAD
193-A1D1
193-A1D1
193-A1C1
MOTOR DATA
230
208
VOLTAGE
460
575
2.9
FLA
1.8
0.97
0.7
150 ma
MAX
20
21
23
26
4
28
29
27
30
5
OPEN
CLOSE
4
M1C
M1O
OLR
X2
2
3
1
4
CONNECTED
INTERNALLY
DIGITAL GATEWAY
LSO*
5
6
5
6
7
8
9
DG-1200
11
12
14
15
INPUT 15
DC ONLY
9
PB1
12
11
OPEN/CLOSE
PULL CORD/PB
LSC*
14
17
TO PHOTOEYES
15
LINE 26
PE1 & PE2
RE1*
MOT DET/LOOP
18
NOTE:
CHANGED TO
INPUT 26 LOGIC
NORMALLY OPEN
18
OLR
17
5
6
7
8
9
11
12
13
14
15
16
10
8
* BY RYTEC
M1O
M1C
PHOTOEYES
27
29 +12VDC
PE2
EMITTER
PE1
BLUE
BLUE
31 12VDC GND
30
27
LSB1/LSB2*
BROWN
BROWN
29
EMITTER
RECEIVER
PE1
RECEIVER
PE2
WHITE
BLUE
WHITE
BLUEBROWN
BROWN
17
18
19
21
22
20
24
25
23
31
15
1
2
3
A2500010
NOTE: This schematic is for general infor-
mation only. Due to varying require-
ments for individual customers, a
schematic is prepared for each door
installation. This schematic is
shipped inside of the control box and
must be used for that specific instal-
lation.
WIRING SCHEMATICSFAST-SEALONE-SPEED DIGITAL GATEWAY (E4200)

Table of Contents

Related product manuals