EasyManua.ls Logo

RYTEC DG1200 - Wiring Schematics: Fast-Fold Model; Fast-Fold Two-Speed Gateway (E4100) Diagram

RYTEC DG1200
26 pages
Print Icon
To Next Page IconTo Next Page
To Next Page IconTo Next Page
To Previous Page IconTo Previous Page
To Previous Page IconTo Previous Page
Loading...
19
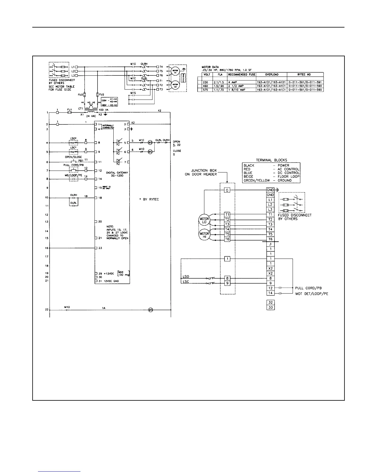
FAST-FOLDTWO-SPEED DIGITAL GATEWAY (E4100)
A1500143
NOTE: This schematic is for general infor-
mation only. Due to varying require-
ments for individual customers, a
schematic is prepared for each door
installation. This schematic is
shipped inside of the control box and
must be used for that specific instal-
lation.
WIRING SCHEMATICSFAST-FOLDTWO-SPEED DIGITAL GATEWAY (E4100)

Table of Contents

Related product manuals