EasyManua.ls Logo

Samson 4765 - Page 15

Samson 4765
32 pages
Print Icon
To Next Page IconTo Next Page
To Next Page IconTo Next Page
To Previous Page IconTo Previous Page
To Previous Page IconTo Previous Page
Loading...
EB 8359-1 EN 15
Mounting and start-up
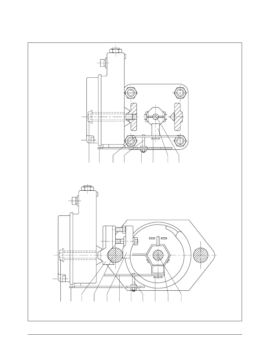
15 1202 2.1 21 22 23
Fig.3: Attachment to valves with cast yokes (NAMUR rib)
15 128272620 2.1 2212423
Fig.4: Attachment to valves with rod-type yokes