EasyManua.ls Logo

Samson S Class - S 2-Way System Set-Ups; Mono 3-Way Operation

Samson S Class
20 pages
Print Icon
To Next Page IconTo Next Page
To Next Page IconTo Next Page
To Previous Page IconTo Previous Page
To Previous Page IconTo Previous Page
Loading...
10
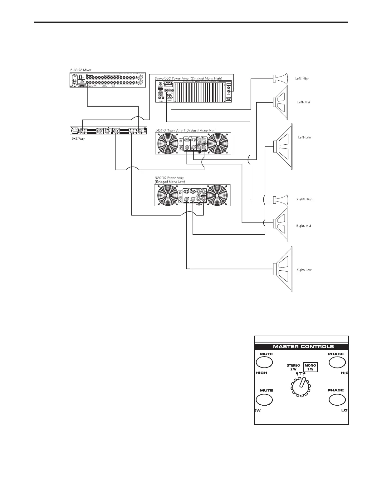
If you’re operating your PA system Mono 3-way, wire your system as shown in the system diagram below.
Once you have your system wired-up, follow the steps below:
Locate the MODE switch in the master section and set it to the MONO 3 W position.
Notice the outlined boxes showing the frequencies that are now under control by the associated GAIN or
FREQUENCY knobs.
Now, use the first crossover FREQ on Channel 1 to set the desired
frequency dividing the low and mid frequencies.
Next, set the frequency point dividing the mid and high by using
Channel 2’s crossover FREQ control.
Now, adjust the first gain control on Channel 1 to set the level of the
LOW frequency output.
Next, adjust the second gain control on Channel 1 to set the level of
the MID frequency output.
Next, adjust the second gain control on Channel 2 to set the level of
the HIGH frequency output.
You can use an RTA (Real Time Analyzer), or an even more sophisticated piece of test gear, your ears,
to adjust the balance between the low, (mid) and high end. You can continue to raise the Gain controls
as you fine-tune the system. Watch the Peak Meters on your power amplifiers to ensure that you’re run-
ning a clean signal.
S 2-way System Set-Ups
MONO THREE WAY OPERATION

Related product manuals