EasyManua.ls Logo

Samson Trovis 5475-2 - Page 29

Samson Trovis 5475-2
64 pages
Print Icon
To Next Page IconTo Next Page
To Next Page IconTo Next Page
To Previous Page IconTo Previous Page
To Previous Page IconTo Previous Page
Loading...
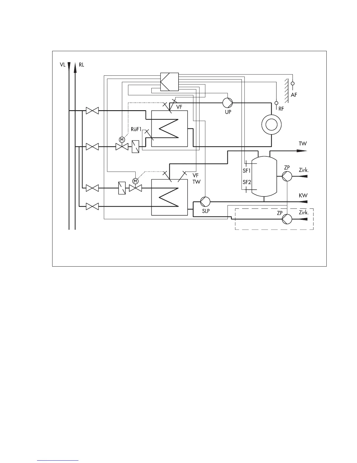
5.5 System code number 5.0
Weather-compensated flow temperature control with variable limitation of the return flow tem-
perature and drinking water heating from the primary circuit, designed as storage tank charg-
ing system
Drinking water heating process
Charging of the drinking water storage tank is started when the drinking water temperature in
the storage tank falls below the temperature value Drinking water heating ON or the value set
at a storage tank thermostat. The storage tank charging pump starts operating immediately and
the Charging temperature is controlled.
Should the capacity available for a parallel operation of both circuits heating circuit and
drinking water circuitbe too low when the maximum capacity is required, the function block
FB 8 can be activated.
With the setting FB 8 = ON and the option "Ab" selected Drinking water priority through set-
back operation  the heating circuit is set to reduced operation for 20 minutes when there is a
system deviation of more than 5 K in the drinking water circuit: its capacity requirement is
moved back by reducing the current flow temperature by the value set in Set-back of flow tem-
perature for reduced operation.
With the setting FB 8 = ON and the option "In" selected Drinking water priority through reverse
control the capacity requirement of the heating circuit is reduced when there is a system devia-
tion of more than 5 K in the drinking water circuit. This is achieved by the three-point stepping
output of the drinking water circuit having an effect on the heating circuits control valve in the
opposite direction. The time span before the priority mode responds can be set in FB 8.
With FB19 = ON
Fig. 20
Anl 5.0
(system code number 5.0)
29

Related product manuals