EasyManua.ls Logo

Samson Trovis 5475-2 - Page 35

Samson Trovis 5475-2
64 pages
Print Icon
To Next Page IconTo Next Page
To Next Page IconTo Next Page
To Previous Page IconTo Previous Page
To Previous Page IconTo Previous Page
Loading...
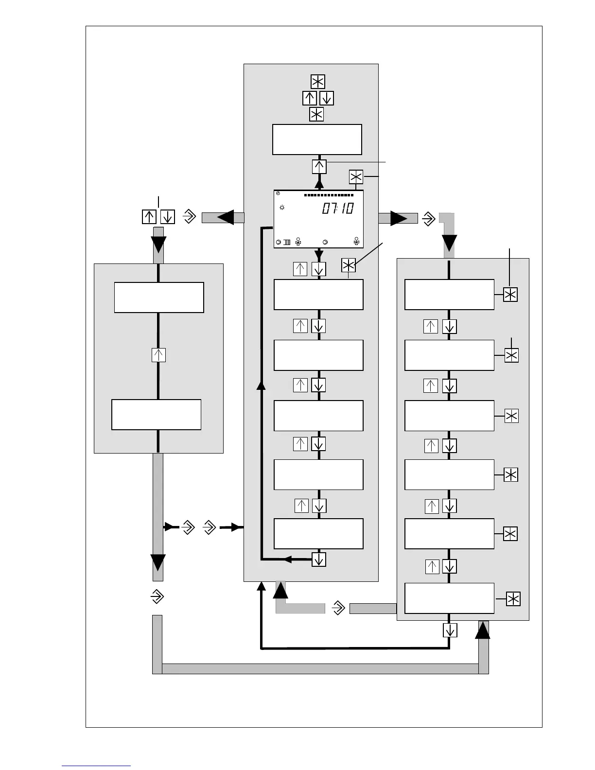
Fig. 23
Control levels
Configuration level
Operating level
Parameter level
Fast setting
warmer/colder
Temperatures
heating
Temperatures
drinking water
Time schedules
heating
Time schedules
drinking water
Public holidays
Vacations
Time
Data
heating
Time schedules
heating
Public holidays
Vacations
Data
drinking water
Time schedules
drinking water
Current Anl
Function blocks
Enter
values
Press key for 2 s
Key held pressed:
Date displayed
Enter current
time and date
Key held pressed:
Set point shown
Press both keys simultaneously
M
1
M
10 11 1213 1415 1617 18191 2 3 4 5 6 7 8 9 20 21 22 23240
35

Related product manuals