EasyManua.ls Logo

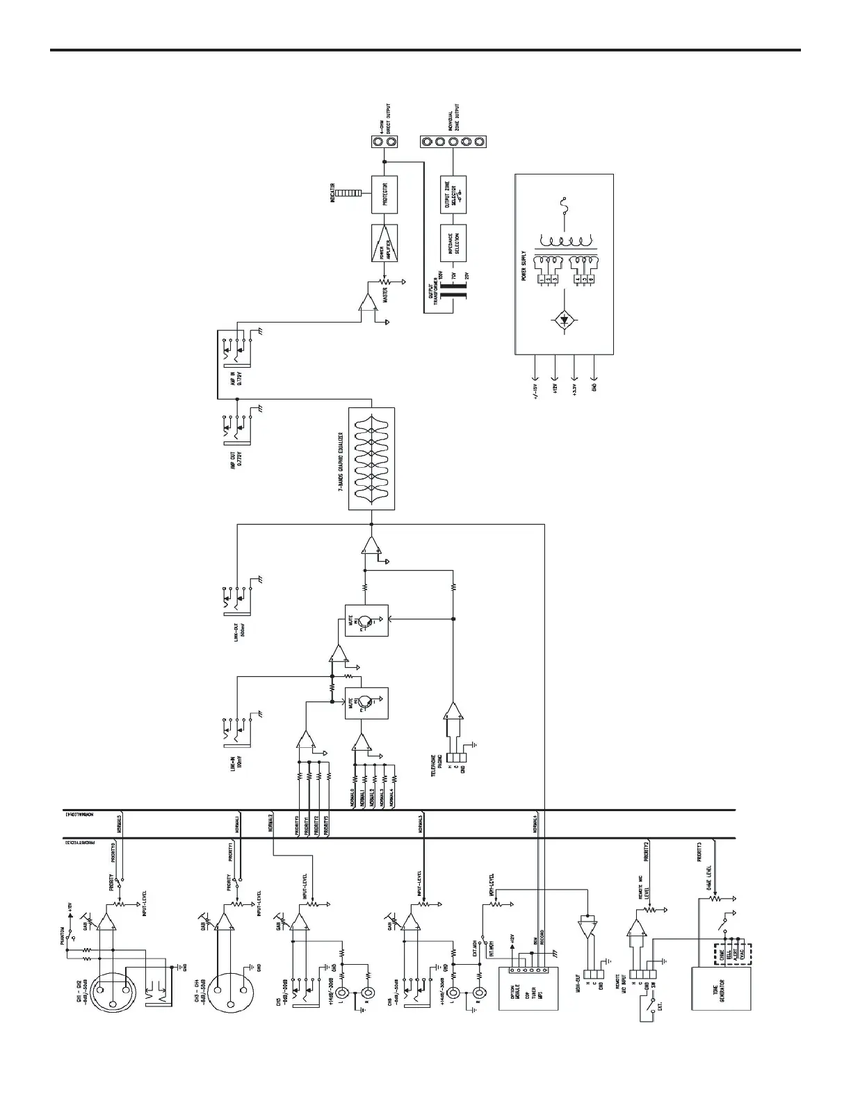
Samson ZM75 - Block Diagram

Samson ZM75
20 pages
Print Icon
To Next Page IconTo Next Page
To Next Page IconTo Next Page
To Previous Page IconTo Previous Page
To Previous Page IconTo Previous Page
Loading...
15
Block Diagram

Other manuals for Samson ZM75

Related product manuals