EasyManua.ls Logo

Samsung EHS AE050RXYDEG/EU - Mono HT Quit Refrigerant Circuit Diagram Outdoor Unit

Samsung EHS AE050RXYDEG/EU
212 pages
Print Icon
To Next Page IconTo Next Page
To Next Page IconTo Next Page
To Previous Page IconTo Previous Page
To Previous Page IconTo Previous Page
Loading...
12. Technical data
Installer reference guide / Mono tank integrated type 200
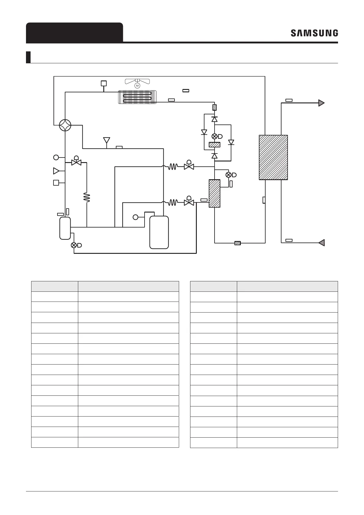
Mono HT Quit Refrigerant circuit diagram outdoor unit
PW_H2
HX_M
PS_L
T_S
V_4W
HX_PHE
T_WO
E_M
OFM
T_A
T_CO
CV
CV
CV
E
PW_H1
COMP
PS_H
PT_C
T_D
V_HG
V_LB
V_EB
AC
PT_C
E_S
T_CT
HX_IC
T_EI
T_WI
T_II
E_EV
S
E
T_EO
S
S
Part Description
CV Check Valve
COMP Compressor
HX_IC Heat Exchanger - Intercooler
HX_M Heat Exchanger - Main (Outdoor unit)
HX_PHE Heat Exchanger - PHE
IPMC IPM Cooler
OFM Outdoor Fan Motor
AC Accumulator
PS_H Pressure Sensor - High
PS_L Pressure Sensor - Low
PW_H1 Pressure Switch - High 1
PW_H2 Pressure Switch - High 2
E_EV Electronic Expansion Valve - EVI
E_M Electronic Expansion Valve - Main
E_S Electronic Expansion Valve - Shut off
Part Description
PT_C Service Port - Charging
V_4W Solenoid valve - 4 Way
V_EB Solenoid valve - EVI Bypass
V_HG Solenoid valve - Hot Gas Bypass
T_LB Solenoid valve - Liquid Bypass
T_A Thermistor - Ambient
T_CO Thermistor - Cond Out
T_CT Thermistor - Compressor Top
T_D Thermistor - Discharge pipe
T_EI Thermistor - EVI In
T_EO Thermistor - EVI Out
T_II Thermistor - Heat Exchanger In
T_S Thermistor - Suction pipe
T_WI Thermistor - Water In
T_WO Thermistor - Water Out

Table of Contents

Related product manuals