EasyManua.ls Logo

Samsung EHS AE050RXYDEG/EU - Two Zone Radiator and Underfloor

Samsung EHS AE050RXYDEG/EU
212 pages
Print Icon
To Next Page IconTo Next Page
To Next Page IconTo Next Page
To Previous Page IconTo Previous Page
To Previous Page IconTo Previous Page
Loading...
4. Typical applications
Installer reference guide / Mono tank integrated type 25
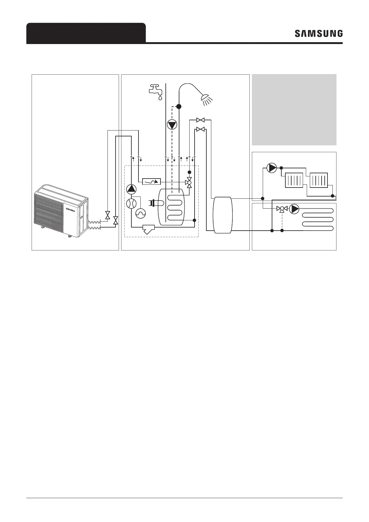
4.3 Two zones radiator and underfloor
Outdoor Indoor
FSV to set:
2091
a)
= 1,2,3 or 4
2092
a)
= 1,2,3 or 4
2093
b)
= 1,2,3 or 4
3011 = 1 or 2
4021 = 1
4022 = 1
4023 = 1
4041 = 1 or 2
4061
b)
= 1
FSV to check:
4025
4042
4043
4044
4045
4046
Outdoor unit ClimateHub Indoor unit
Underfloor
Radiator
Zone 1
pump
Zone 2
pump
ClimateHub
components:
a. Return to ODU
b. Supply from ODU
c. Fresh water in
d. DHW return
e. DHW supply
f. Supply to zone
g. Return from zone
h. Backup heater
i. Diverter valve
j. Primary pump
k. DHW Tank
l. Flow meter
m. Booster Heater
n. Expansion vessel
o. Y-Strainer
p. Mixing valve
Flexible
pipe
a.
j.
l.
n.
o.
m.
k.
h. i.
b. c. d. e. f. g.
Zone 2
Zone 1
Buffer
p.
a) External thermostat
b) Samsung wired remote controller
For heating via both radiators and underfloor heating, with different temperatures, please setup a two zone control.
Where the lowest temperature zone is always Zone 1. This can be done via external thermostat input or via Samsung
wired remote controller (MWR-WW10N).
The combination of heating a two zone with different temperatures requires settings of FSV (#2091, 2092 (ext.
thermostat) or 2093 set to 1~4 and 4061 =1 (Samsung wired remote) and DHW (#3011 set to 1~2).
To enable the backup heater as an additional heat source, please set FSV (#4021, 4022). The backup heater must be
installed and operational by control logic. When ambient conditions can reach below 24°C.
In order to you control zone1 and zone2 , you should set mixing valve setting value FSV(#4041-#4046)

Table of Contents

Related product manuals