EasyManua.ls Logo

Samsung EHS AE050RXYDEG/EU - Flushing

Samsung EHS AE050RXYDEG/EU
212 pages
Print Icon
To Next Page IconTo Next Page
To Next Page IconTo Next Page
To Previous Page IconTo Previous Page
To Previous Page IconTo Previous Page
Loading...
6. Piping installation
Installer reference guide / Mono tank integrated type 69
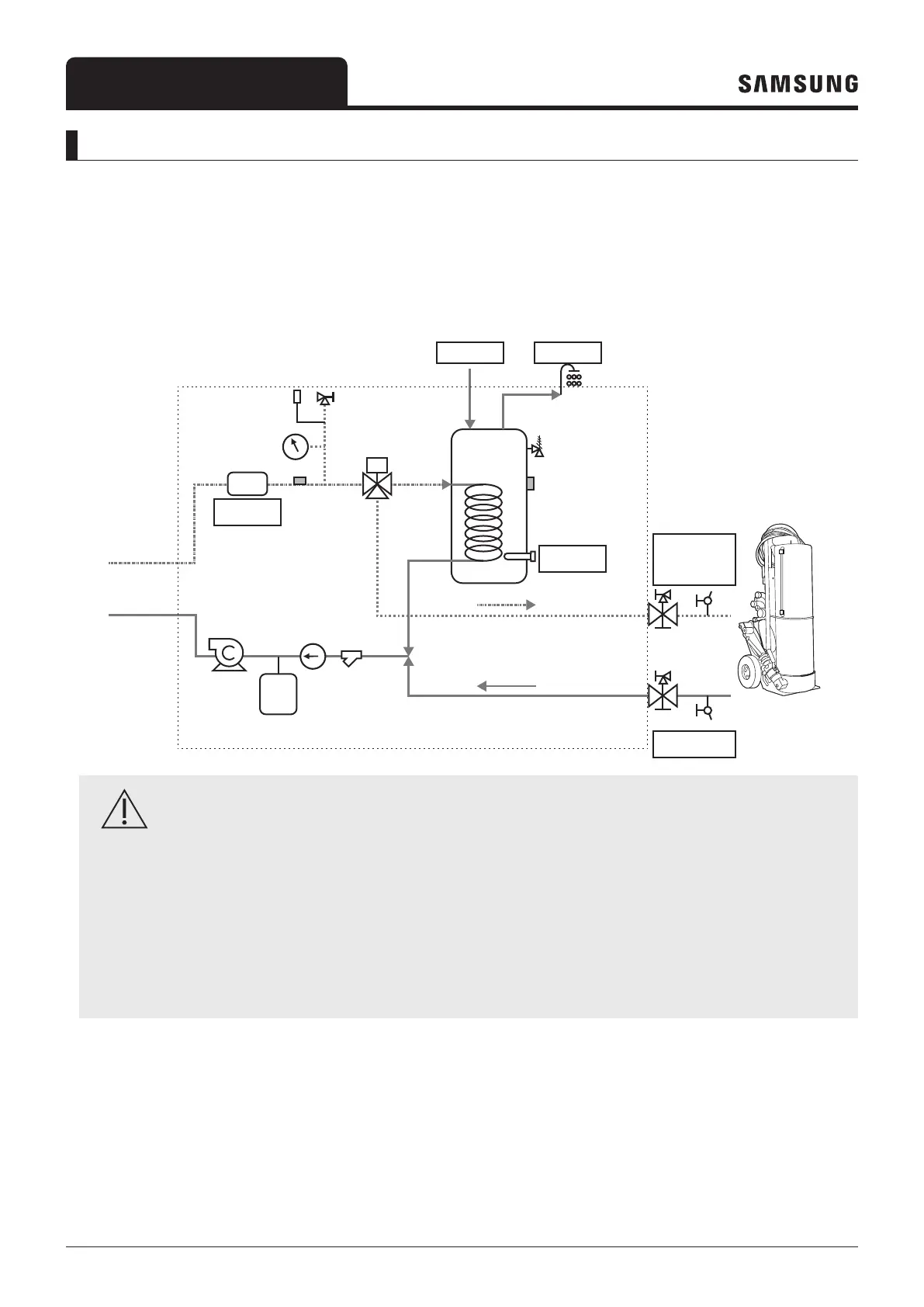
Flushing
When filling water, the following start-up procedure should be followed.
1 All system components and pipes must be tested for the presence of leaks.
2 Preparation of a make-up water assembly or flushing unit is recommended for installation and service.
3 Before connecting pipes to the outdoor unit, flush water pipes clean to remove contaminants during hours using a
flushing unit or tap water pressure if it is adequate (at 2 to 3 bar).
3
3WAY VALVE
Backup
heater(2kW)
PWM
Pump
Expansion Vessel(8L)
Flow
sensor
Pressure
Relief
valve
Air Vent
Manometer
Water in Water out
Temperature & pressure
relief valve
Drain(Tundish)
T_tank
T_w3
Booster
heater(3kW)
Service ports for
flushing&purging
(Field supply parts)
S
ervice ports for
flushing&purging
Flushing unit
(or purging cart)
CAUTION
Check and clean strainer periodically.
Replace strainer when necessary.
It's recommended that you flush the system for 4 hours minimum once per annum.
Use chemical cleaning agents (Begin with acid, finish with alkali).
Install air vents on the top of the system.
Pressure of entering water (over 2.0 bar).
Water quality must be according to EN directive 98/83 EC.

Table of Contents

Related product manuals