EasyManua.ls Logo

Samsung ERV - Motor Load Part Description

Samsung ERV
84 pages
Print Icon
To Next Page IconTo Next Page
To Next Page IconTo Next Page
To Previous Page IconTo Previous Page
To Previous Page IconTo Previous Page
Loading...
Samsung Electronics 6-4
2. Motor Load Part
Q

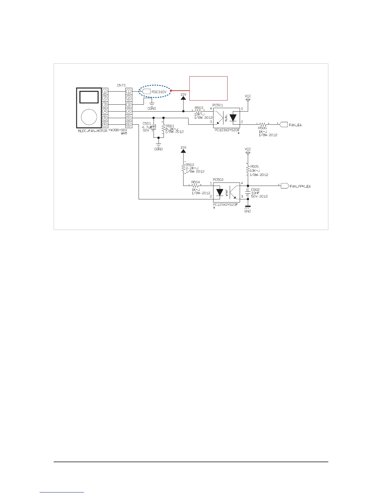
Motor Load(BLDC : BRUSHLESS MOTOR) Part Description
1. Smooth DC310V of electrolytic condenser (C101) is utilized for operation power source.
2. DC15V (C104) of secondary side of circulation is used for CONTROL voltage of MOTOR. BLDC CONTROL voltage must be lower
than MAX DC18V.
3. CONTROL voltage is distributed through No.5 PIN of CN73 and is lower than MAX DC7V. MOTOR RPM is determined by
DC0V~DC6V voltage.
4. No. 6 PIN of CN73 is the RPM FEEDBACK POINT, which delivers MOTOR rotation to MICOM. If DC15V continues to be found when
measuring DC15V and No.6 PIN, FAN MOTOR ERROR occurs because FEEDBACK is not conducted.
5. CONNECTOR of CN73 is dislocated when PCB power source is authorized, DC310V voltage may flow into CONTROL IC within BLDC
in a moment, damaging CONTROL IC of BLDC. It may cause SHORT of DC15V or DC310V.
6. If SHORT of DC15V or DC310V takes place, 2A FUSE (F702) opens and DC15V rectification DIODE may be damaged, which stops
operation of SMPS.
Both ends
voltage of C101:
Approximately
DC310V

Table of Contents

Other manuals for Samsung ERV

Related product manuals