EasyManua.ls Logo

Samsung Generation 6 - 2 x AS Heat Pump Electrical Diagrams

Samsung Generation 6
88 pages
Print Icon
To Next Page IconTo Next Page
To Next Page IconTo Next Page
To Previous Page IconTo Previous Page
To Previous Page IconTo Previous Page
Loading...
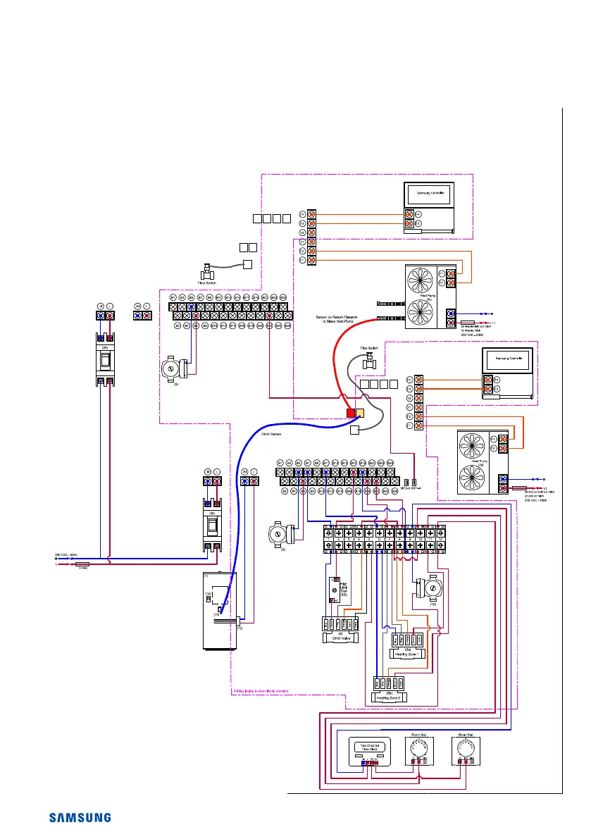
Heat Pump Installation Guide
47
CNS057
CNS057
Please see Figure 1.5 on page 97
for Unplumbed Wiring Diagram
Electrical Diagram

Related product manuals