EasyManua.ls Logo

Samsung Generation 6 - Unplumbed Smartplumb Diagrams

Samsung Generation 6
88 pages
Print Icon
To Next Page IconTo Next Page
To Next Page IconTo Next Page
To Previous Page IconTo Previous Page
To Previous Page IconTo Previous Page
Loading...
Heat Pump Installation Guide
81
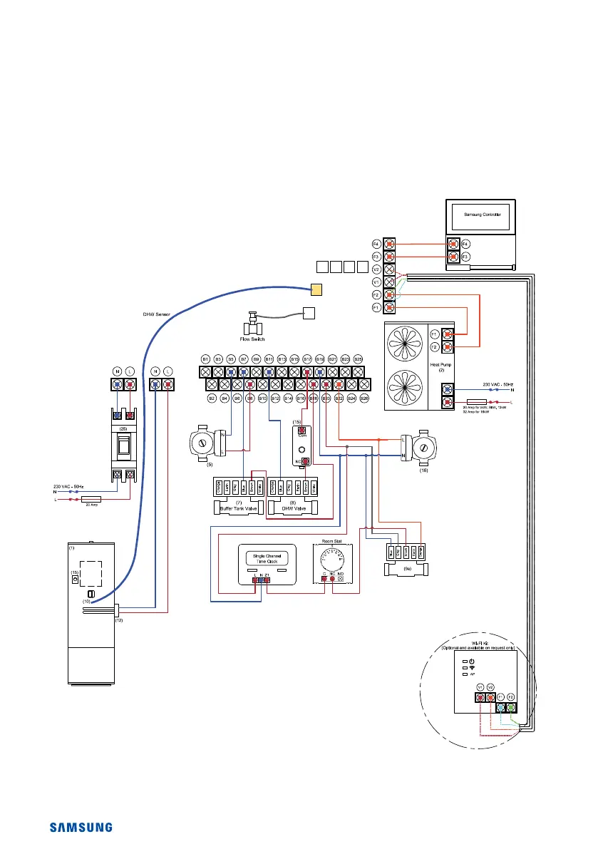
Figure 1.1
Air Source Heat Pump & Unplumbed Smartplumb (1 Heating & 1 DHW)
CNS057

Related product manuals