EasyManua.ls Logo

Samsung Generation 6 - Page 83

Samsung Generation 6
88 pages
Print Icon
To Next Page IconTo Next Page
To Next Page IconTo Next Page
To Previous Page IconTo Previous Page
To Previous Page IconTo Previous Page
Loading...
Heat Pump Installation Guide
83
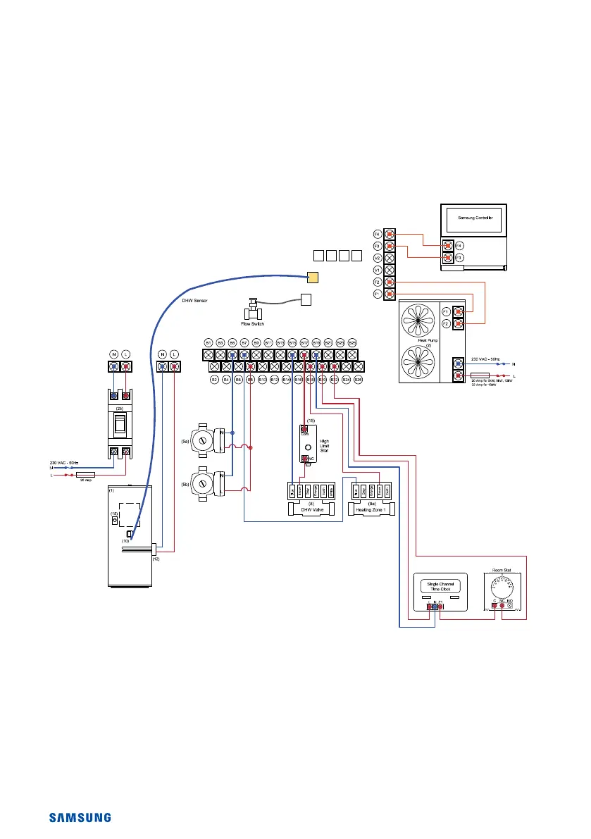
Figure 1.3
Air Source Heat Pump & Unplumbed High Gain Indirect (1 Heating & 1 DHW)
CNS057

Related product manuals