EasyManua.ls Logo

Samsung Generation 6 - Page 84

Samsung Generation 6
88 pages
Print Icon
To Next Page IconTo Next Page
To Next Page IconTo Next Page
To Previous Page IconTo Previous Page
To Previous Page IconTo Previous Page
Loading...
www.jouleuk.co.uk | www.joule.ie
84
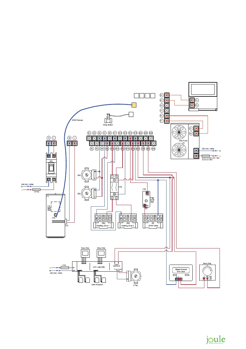
Figure 1.4
Air Source Heat Pump & Unplumbed High Gain Indirect (2 Heating & 1 DHW)
CNS057

Related product manuals