EasyManua.ls Logo

Samsung Generation 6 - Page 85

Samsung Generation 6
88 pages
Print Icon
To Next Page IconTo Next Page
To Next Page IconTo Next Page
To Previous Page IconTo Previous Page
To Previous Page IconTo Previous Page
Loading...
Heat Pump Installation Guide
85
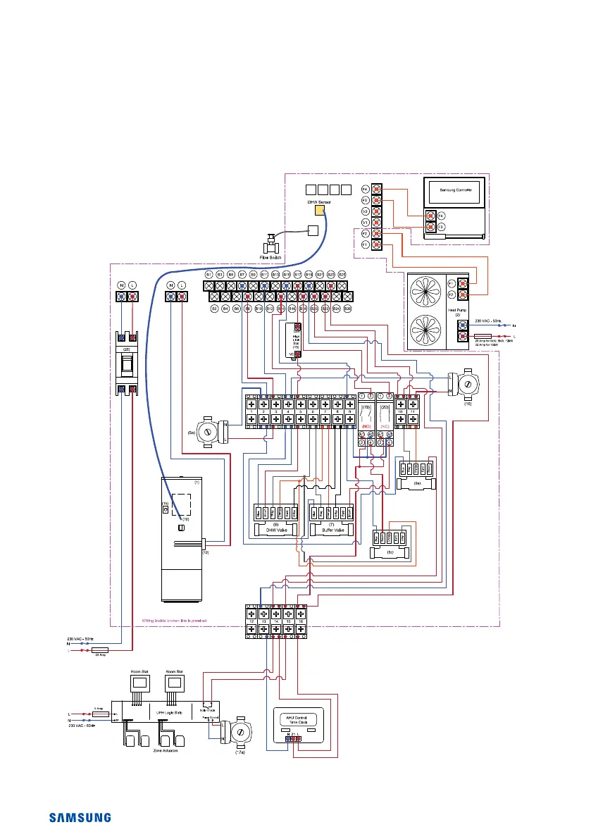
Figure 1.5
Air Source Heat Pump & Pre Plumbed Smartplumb (1 Heating & 1 Cooling)
CNS057

Related product manuals