EasyManua.ls Logo

Samsung MAX-810 - Exploded Views and Parts List; Cassette Deck Exploded Views and Parts

Samsung MAX-810
72 pages
Print Icon
To Next Page IconTo Next Page
To Next Page IconTo Next Page
To Previous Page IconTo Previous Page
To Previous Page IconTo Previous Page
Loading...
7.Exploded Views and Parts List
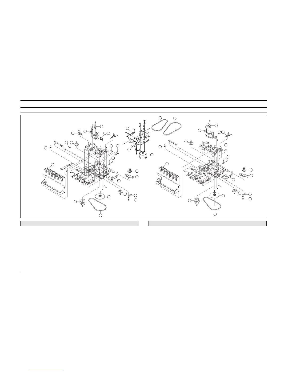
7-1 Cassette Deck Exploded View and Parts List
2
3
4
5
6
9
10
20
21
22
23
25
26
11
12
13
14
16
17
18
19
2
3
4
5
7
9
10
20
22
25
26
11
12
13
16
17
18
19
24
24
15
1
8
Samsung Electronics 7-1
No. Code No. Description Specification Remarks
1
2
3
4
5
6
7
8
9
10
11
12
AH59-20003A
AH81-10026X
AH81-10026C
AH81-10025B
AH81-10025D
AH81-10025E
AH81-10025F
AH81-10025G
AH81-10021T
AH81-10025J
AH81-10025K
AH81-10025T
AH81-10025M
DECK-CASSETTE
LEVEL-SYNCHRO
SPRING PACK
TAKE UP REEL ASS’Y
PINCH ARM ASS’Y
IDLER ARM ASS’Y
FLYWHEEL GEAR S ASS’Y
FLYWHEEL GEAR D ASS’Y
MOTOR
FR ARM ASS’Y
REEL GEAR ASS’Y
ARM-SENSOR
PAUSE LOCK ARM
ADR2006FW
11134-01280AA
51299-02506XC
ADR28-010
ADR26-001
ADR02-042
ADR15-021
ADR15-022
EG530YD2B
ADR22-012
11128-00045AA
11102-00530AA
11116-00011A
No. Code No. Description Specification Remarks
13
14
15
16
17
18
19
20
21
22
23
24
25
26
AH81-10025P
AH81-10026B
AH81-10026W
AH81-10026W
AH81-10025Q
AH81-10025R
AH81-10025S
AH81-10025T
AH81-10026U
AH81-10022E
AH81-10026P
AH81-10026L
AH81-10026H
AH81-10025U
HEAD BASE M
LEVER REC SAFETY
LEVER RELEASE
LEVER EJECT(F)
CAM GEAR
F.F GEAR
PAUSE CAP
LEAF SW (MAIN)
LEAF SW (REC)
R/P HEAD
MGARM ASS’Y
BELT MAIN
BELT SUB
BUTTON KNOB
11105-00031AA
11134-01000AA
11134-01240AA
11134-01220AA
11128-00393AA
11128-00055AA
11116-00011AA
MSW1541 X ACV
MSW 1716CV
MS15R-AA2N1
11102-00520AA
59.7 PI X 1.0T
34.7 PI X 1.0T
11133-00010AA

Table of Contents

Related product manuals